- Partiron
- OEM Parts
- Polaris
- ATV
- 2002
- 325 MAGNUM 2X4 HDS - A02CB32FC
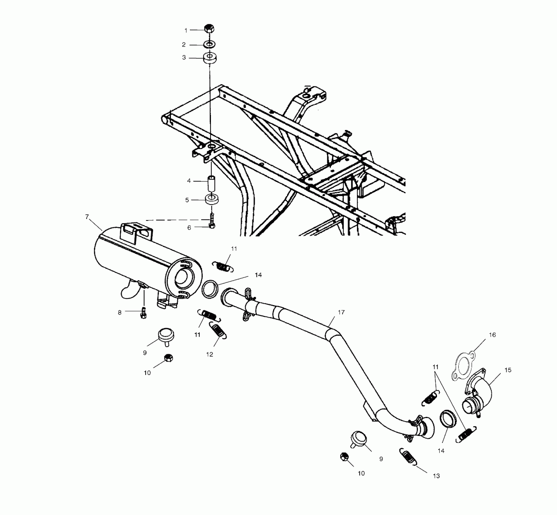
EXHAUST SYSTEM - A02CB32AA/AB/FC (4970107010A12)
Polaris 325 MAGNUM 2X4 HDS - A02CB32FC EXHAUST SYSTEM - A02CB32AA/AB/FC (4970107010A12) Diagram
#
Description
Price
4
Bushing
5132295
Unavailable
5
Dampener, Vibration
5411790
Unavailable
7
Silencer
1260961-029
Unavailable
9
Mount, Torque Stop
3110064
Unavailable
9
Mount, Torque Stop
3110064
Unavailable
15
Manifold, Black
1260960-029
Unavailable
16
Gasket, Exhaust
3086237
Unavailable
17
Headpipe
1260987-029
Unavailable
