- Partiron
- OEM Parts
- Polaris
- ATV
- 2001
- 325 MAGNUM 2X4 HDS - A01CB32FC
EXHAUST SYSTEM - A01CB32AA (4963966396A012)
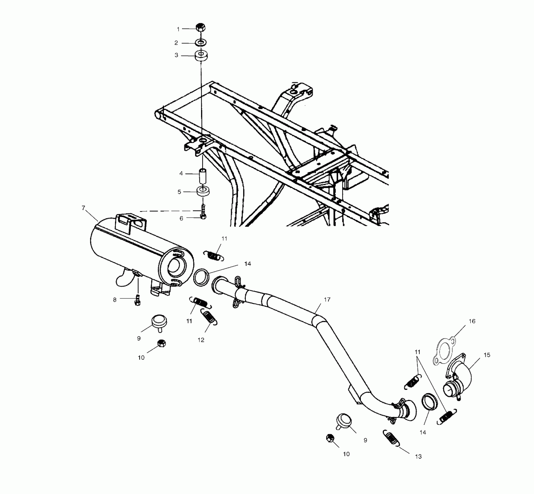
Polaris 325 MAGNUM 2X4 HDS - A01CB32FC EXHAUST SYSTEM - A01CB32AA (4963966396A012) Diagram
#
Description
Price
4
BUSHING-RES MOUNT
5132295
Unavailable
5
DAMPENER-VIBRATION
5411790
Unavailable
7
SILENCER,BLK
1260961-029
Unavailable
9
MOUNT,TORQUE-STOP
3110064
Unavailable
9
MOUNT,TORQUE-STOP
3110064
Unavailable
15
MANIFOLD,325,BLK
1260960-029
Unavailable
16
GASKET-EXHAUST
3086237
Unavailable
17
HEADPIPE,BLK
1260987-029
Unavailable
