- Partiron
- OEM Parts
- Polaris
- ATV
- 2001
- 325 MAGNUM 2X4 HDS - A01CB32FC
ELECTRICAL/TAILLIGHT - A01CB32AA (4963966396C003)
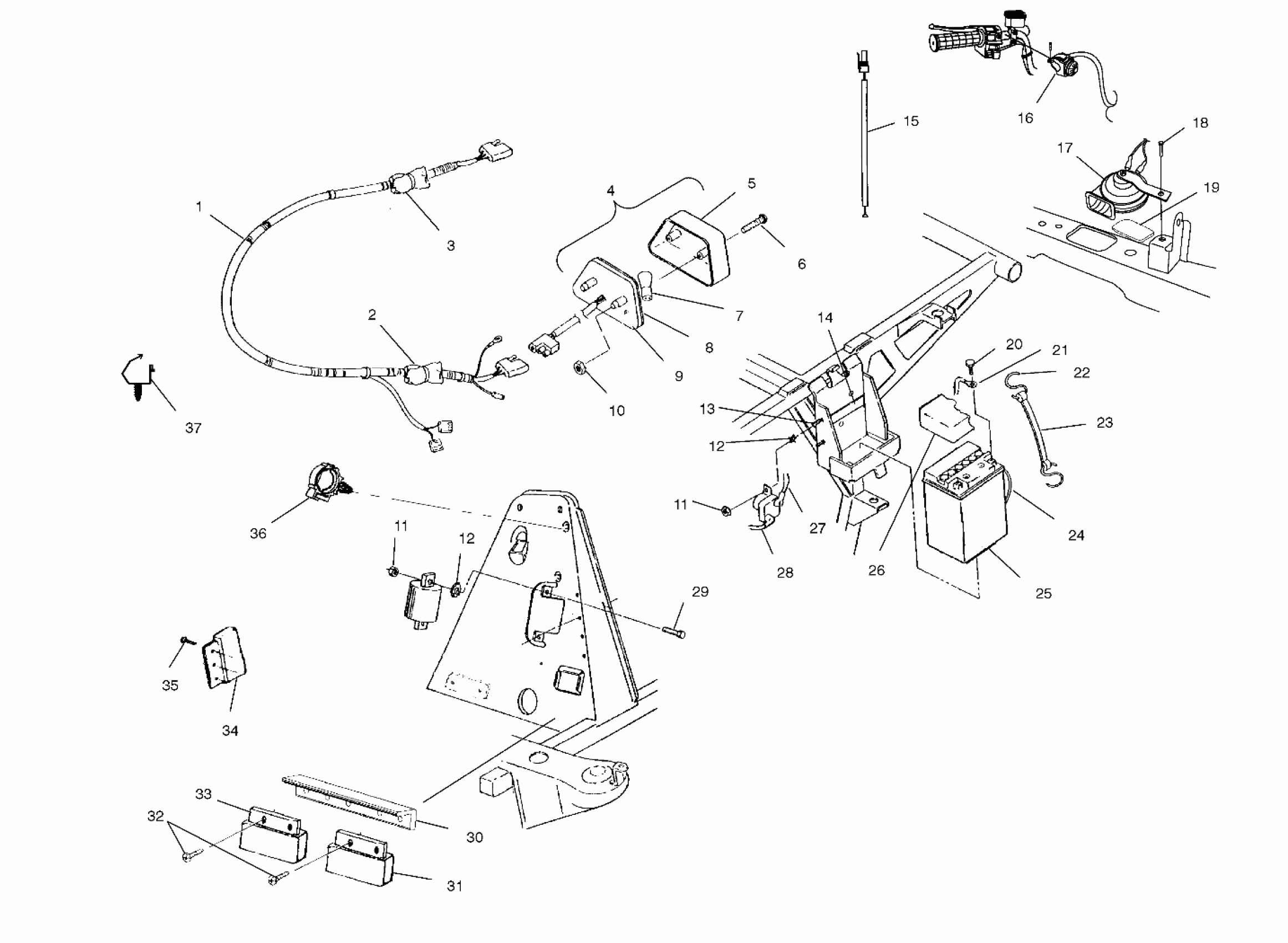
Polaris 325 MAGNUM 2X4 HDS - A01CB32FC ELECTRICAL/TAILLIGHT - A01CB32AA (4963966396C003) Diagram
#
Description
Price
15
HARNESS-ADAPTER,HORN (FC)
2460837
Unavailable
17
HORN (FC)
4010310
Unavailable
19
PAD,FUELTANK BRKT. Substituted by 8360026
5810317
Unavailable
21
CABLE,BATT/ENG.,BLK.
4010095
Unavailable
23
STRAP,BATTERY HOLDDOWN
5410424
Unavailable
24
TUBE,BATTERY VENT
5432077
Unavailable
27
CABLE,BATT/SOLENOID,RED
4010094
Unavailable
31
SWITCH-THERMISTER,LR-62
4010590
Unavailable
33
RECTIFIER/REGULATOR,LR-35
4060191
Unavailable
34
LIMITER,RPM,350 HZ,LR44-3 (AA)(CA)
4010137
Unavailable
