- Partiron
- OEM Parts
- Polaris
- ATV
- 2000
- 325 MAGNUM 2X4 HDS - A00CB32FA
ELECTRICAL/TAILLIGHT - A00CB32AA (4949354935C001)
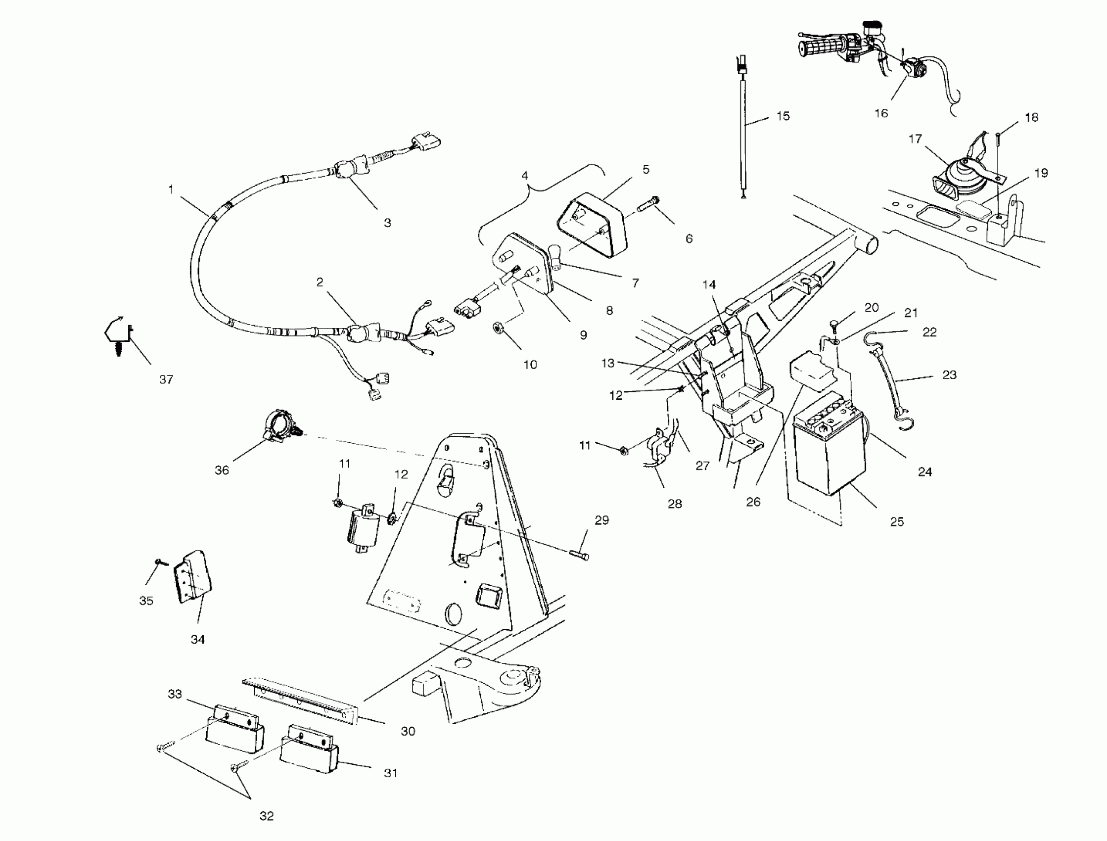
Polaris 325 MAGNUM 2X4 HDS - A00CB32FA ELECTRICAL/TAILLIGHT - A00CB32AA (4949354935C001) Diagram
#
Description
Price
1
HARNESS-MAIN WIRE,XPL 325 (AA)(CA)
2460737
Unavailable
1
HARNESS-MAIN WIRE,MAG 325, HDS (FA)
2460884
Unavailable
15
HARNESS-ADAPTER,HORN (FA)
2460837
Unavailable
17
HORN (FA)
4010310
Unavailable
19
PAD,FUELTANK BRKT. Substituted by 8360026
5810317
Unavailable
21
CABLE,BATT/ENG.,BLK.
4010095
Unavailable
23
STRAP,BATTERY HOLDDOWN
5410424
Unavailable
24
TUBE,BATTERY VENT
5432077
Unavailable
27
CABLE,BATT/SOLENOID,RED
4010094
Unavailable
31
SWITCH-THERMISTER,LR-60
4010249
Unavailable
33
RECTIFIER/REGULATOR,LR-35
4060191
Unavailable
34
LIMITER,RPM,350 HZ,LR44-3 (AA)(CA)
4010137
Unavailable
