- Partiron
- OEM Parts
- Polaris
- ATV
- 1994
- 300 6X6 - W948730
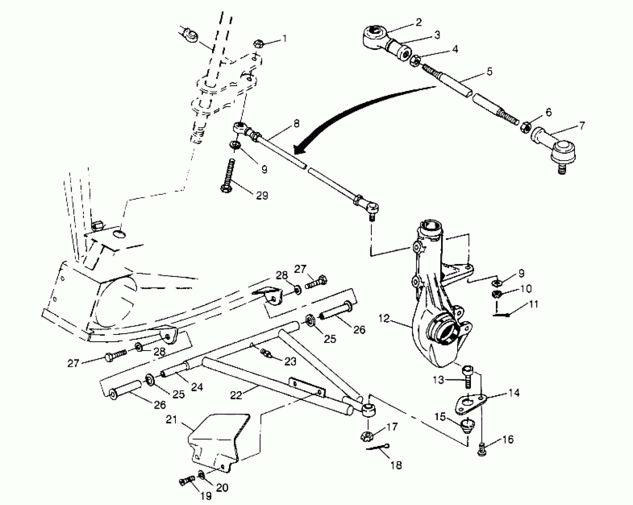
A-ARM/STRUT MOUNTING 6x6 300 W948730 (4926792679B007)
Polaris 300 6X6 - W948730 A-ARM/STRUT MOUNTING 6x6 300 W948730 (4926792679B007) Diagram
#
Description
Price
3
ROD END, RH Substituted by 1822179
7060149
Unavailable
5
TIE ROD
5020528
Unavailable
6
NUT, LH, 10 MM.(10)
7546902
Unavailable
8
TIE ROD ASM. Substituted by 1822310 (Incl. 2-7)
1822081
Unavailable
12
Kit - Hub Strut, LH (See Pg. A18, Ref. 17)
-------
Unavailable
12
Kit - Hub Strut, RH (See Pg. A18, Ref. 17)
-------
Unavailable
13
BALL JOINT Substituted by 7080673
7080364
Unavailable
15
Boot, Rubber
5410548
Unavailable
21
SHIELD,LH CV JOINT Substituted by 5431150-070 (Incl. 11,23,25-28)
5431150
Unavailable
22
KIT,A-FRAME,LH
2200481
Unavailable
24
Shaft, A-Arm
5020681
Unavailable
26
BUSHING,A-ARM,LONG. Substituted by 5433066
5431596
Unavailable
26
BUSHING,A-ARM,LONG. Substituted by 5433066
5431596
Unavailable
27
BOLT(10) Substituted by 7512492
7515458
Unavailable
27
BOLT(10) Substituted by 7512492
7515458
Unavailable
29
BOLT
7515512
Unavailable
