- Partiron
- OEM Parts
- Polaris
- ATV
- 1995
- 300 4X4 - W958130
ELECTRICAL/TAILLIGHT ASSEMBLY 4x4 300 W958130 (4930183018C010)
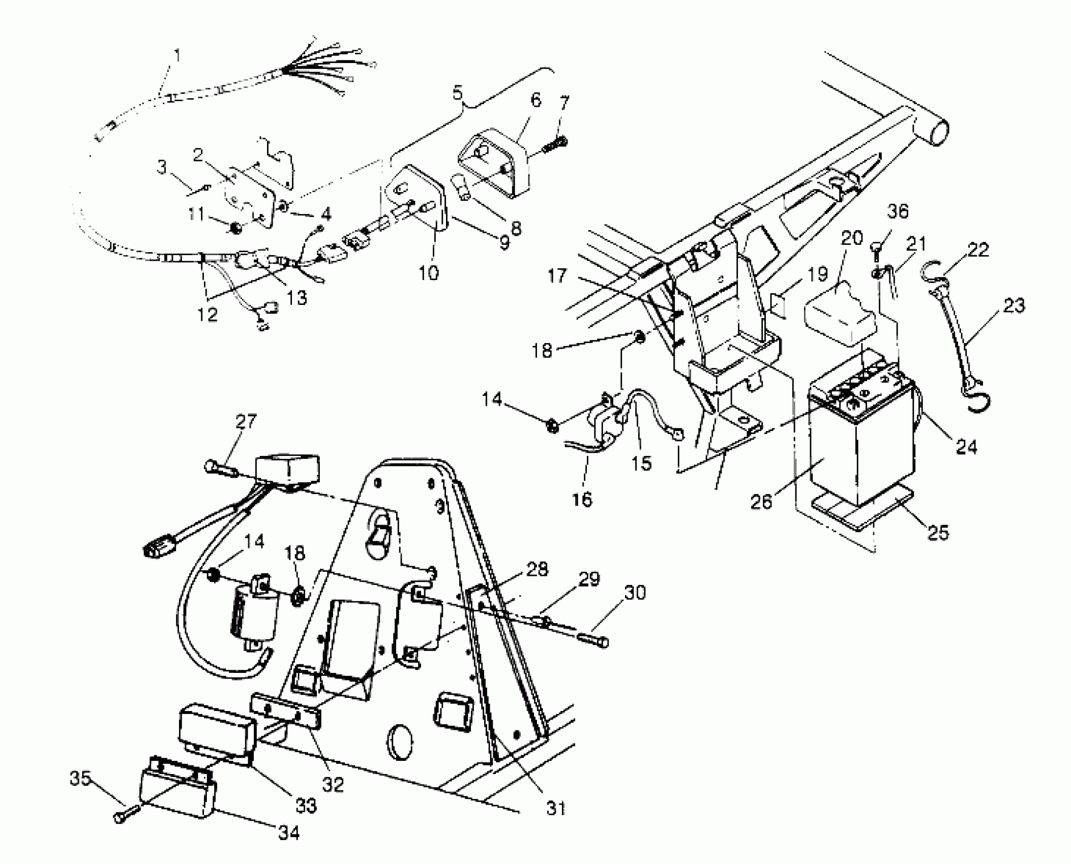
Polaris 300 4X4 - W958130 ELECTRICAL/TAILLIGHT ASSEMBLY 4x4 300 W958130 (4930183018C010) Diagram
#
Description
Price
15
CABLE,BATT/SOLENOID,RED
4010094
Unavailable
16
CABLE,SOLENOID/STARTER
4010064
Unavailable
19
DECAL, BATTERY [No Longer Available]
7072606
Unavailable
21
CABLE,BATT/ENG.,BLK.
4010095
Unavailable
23
STRAP,BATTERY HOLDDOWN
5410424
Unavailable
24
KIT-TANK VENT
2200190
Unavailable
28
BOARD,TERMINAL
4040056
Unavailable
31
SHIELD,TERM.BOARD
5431152
Unavailable
32
HEAT SINK
5210650
Unavailable
33
RECTIFIER, VOLTAGE
4060087
Unavailable
34
LIMITER,REV.SPEED
4060085
Unavailable
