- Partiron
- OEM Parts
- Polaris
- ATV
- 1995
- 300 2X4 - W957530
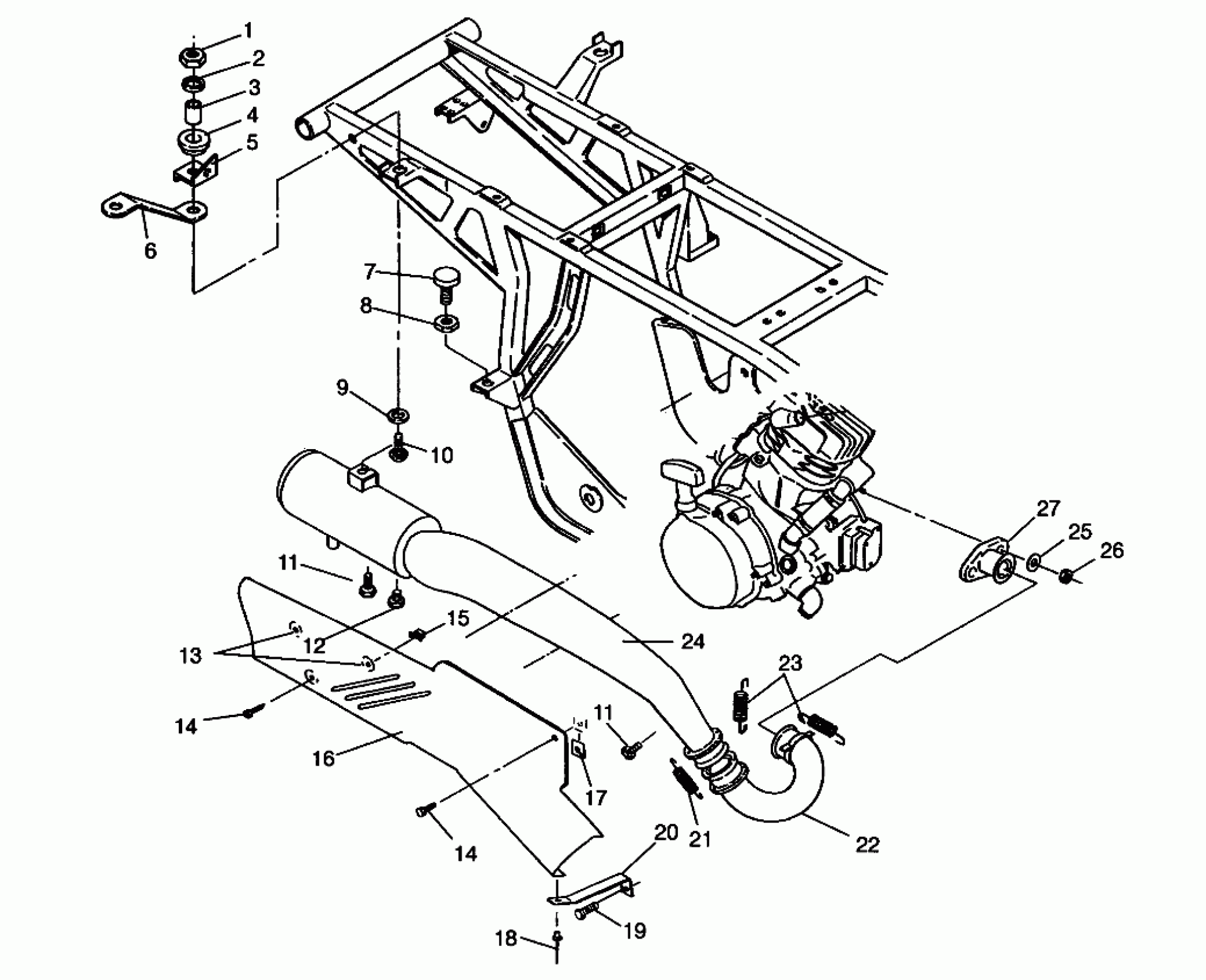
EXHAUST SYSTEM 2X4 300 W957530 (4930053005A010)
Polaris 300 2X4 - W957530 EXHAUST SYSTEM 2X4 300 W957530 (4930053005A010) Diagram
#
Description
Price
4
DAMPENER
5410241
Unavailable
5
BRKT,RH SUPPORT RACK Substituted by 5243469-067
5220901-067
Unavailable
7
MOUNT, MOTOR
3110030
Unavailable
15
WASHER(10)
7555923
Unavailable
16
HEATSHIELD ASM. (Incl. 15)
1260717
Unavailable
19
SCREW(10)
7512252
Unavailable
22
HEADPIPE WELD.
1260658-029
Unavailable
24
EXHAUST WELD,BLK,(350)
1260588-029
Unavailable
25
Washer, Spring (See Pg. A36, Ref. 36)
-------
Unavailable
26
Nut (See Pg. A36, Ref. 37)
-------
Unavailable
27
MANIFOLD, BLK.
1260543-029
Unavailable
