- Partiron
- OEM Parts
- KTM
- Offroad
- Cross Country
- E1
- 4 stroke
- 250 XC-F
- 250 XC-F 2014
- 250 XC-F 2014
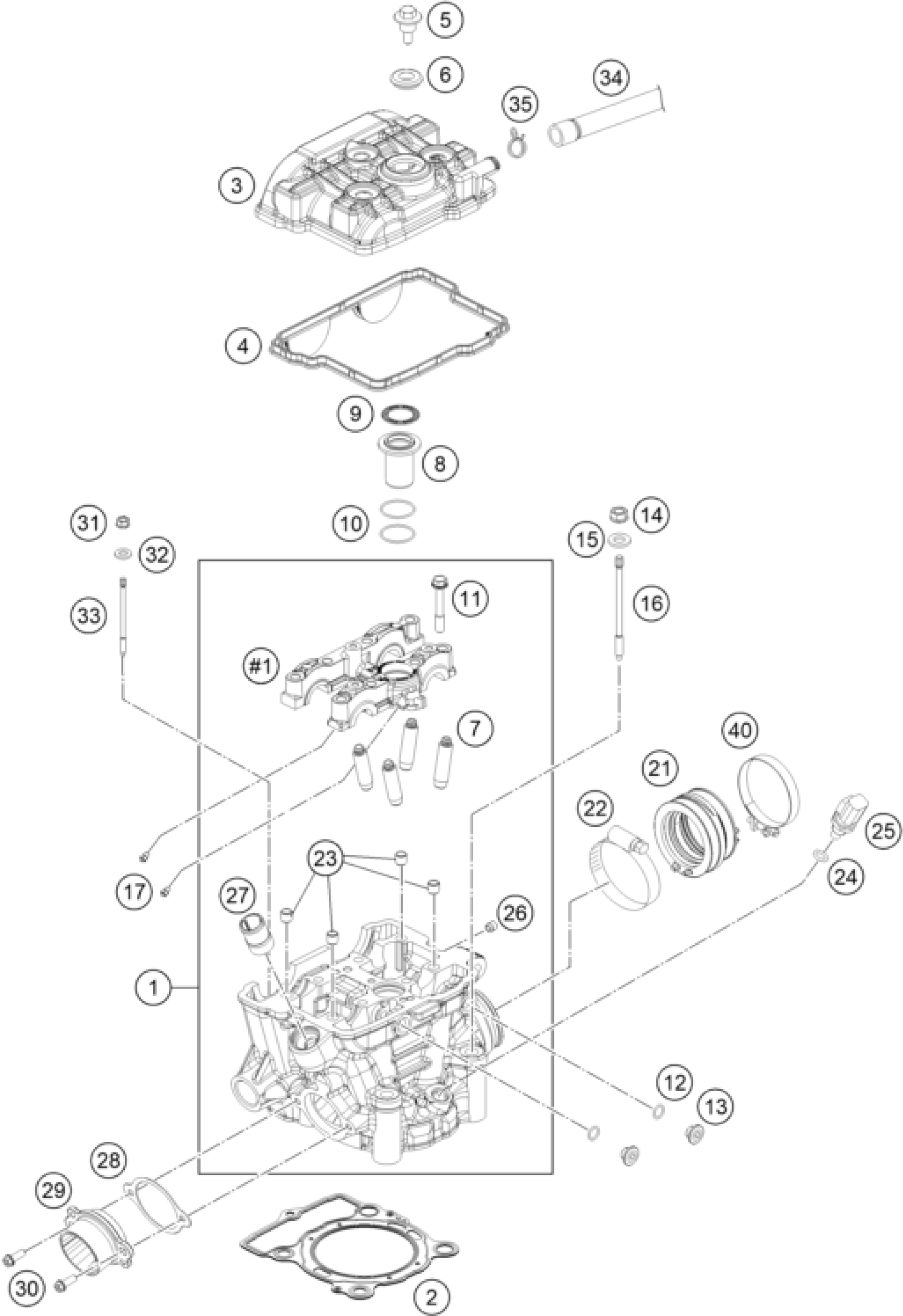
CYLINDER HEAD
KTM 250 XC-F 2014 CYLINDER HEAD Diagram
#
Description
Price
CYLINDER HEAD
#
Edit ride
