Partiron

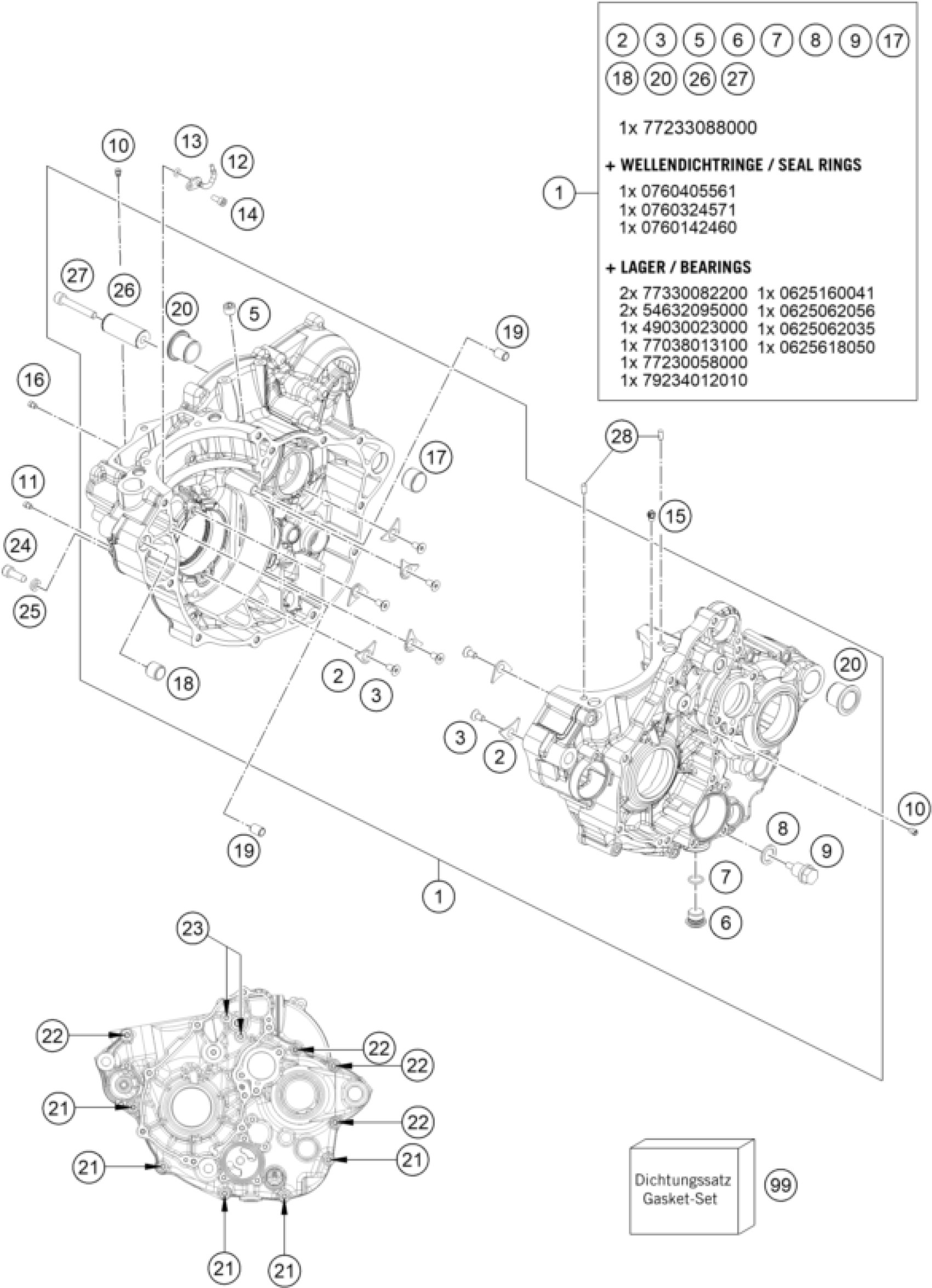
KTM 250 EXC-F 2019 ENGINE CASE Diagram

#

Description
Price

1

Engine case cpl.

79230100133

$1,372.01

2

RETAINING PLATE F. CS BEARING

75030085000

$1.49

3

INT. TORX FLAT HEAD M5X12 T25

0019050121S

$2.05

5

pipe plug DIN 906 M10x1

0906100100

$4.11

6

HOLDING BOLT M14X1,5

78036081000

$3.08

7

O-ring 11x1.5 VITON

0770110015

$5.23

8

CU-seal ring DIN7603-12X18X1.5

58038022000

$2.05

9

OILDRAIN PLUG W.MAG. M 12X1,5

58030021000

$11.30

10

OIL JET ''60'' M4

80030058060

$11.87

11

JET 44-031/150

77030058150

$4.11

12

OIL JET ANGLED 50

81230164050

$11.30

13

O-RING 3,5X2,00 NBR

0770035020

$1.49

14

AH.SCREW DIN0912-M 4X10

0912040103

$2.05

15

oil jet 50 M5

60030063050

$9.44

16

JET 100 BING(44-031/180) M4

59030058000

$4.11

17

DOWEL 17 X 19 X 12

59030024000

$5.23

18

DOWEL BUSHING 13,8X11X12

54630027000

$6.91

19

dowel sleeve 6x8x11.5

59030023000

$1.49

20

Housing bush

79230010000

$11.87

21

HH collar screw M6x55 TX30

0025060556

$3.08

22

HH COLLAR SCREW M6X65 TX30

0025060656

$2.05

23

HH COLLAR SCREW M6X70 TX30

0025060706

$3.08

24

LOCATING SCREW M8 L=25

77730080000

$4.11

25

CU-SEAL RING 8 X 14 X 3

58030081000

$2.05

26

BUSHING PIN 2000

59033018000

$12.61

27

AH SCREW DIN0912 M 6X40

0912060406

$1.49

28

CYLINDER ROLLER ZRO 5X8

0402050080

$2.05

99

ENGINE GASKET KIT 250 EXC-F 17

79630099000

$274.41