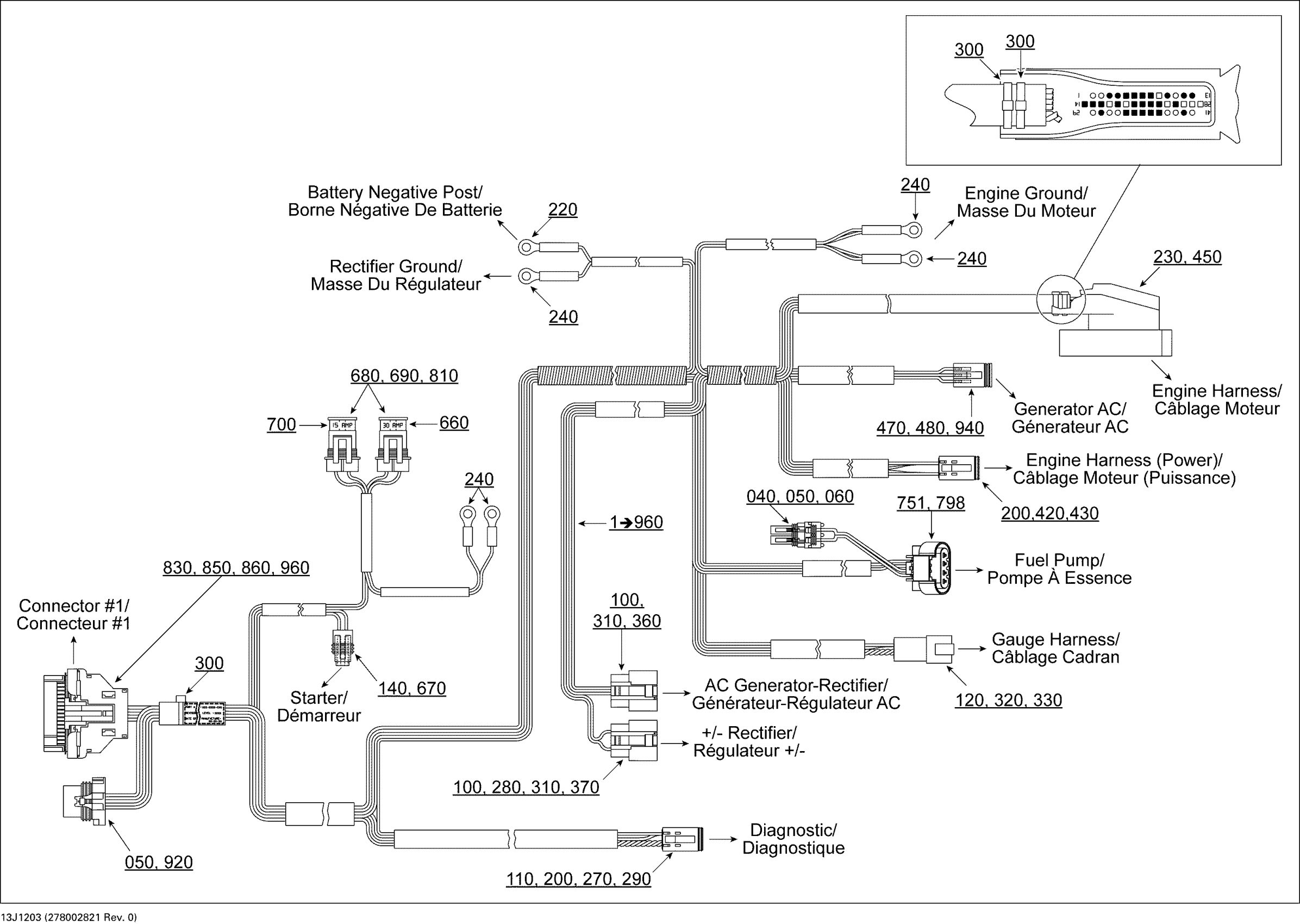
Sea-doo 200 Speedster 510, 2012 Engine Harness Diagram
#
Description
Price
1
Engine Harness
278002821
Unavailable
230
MALE HOUSING, 41 CIRCUITS - Call your local BRP dealership
278001751
Unavailable
290
MALE LOCK, 6 CIRCUITS - Call your local BRP dealership
278000737
Unavailable
320
Male Connector, 12 Circuits
409015800
Unavailable
330
MALE LOCK, 12 CIRCUITS - Call your local BRP dealership
409015600
Unavailable
450
FEMALE TERMINAL - Call your local BRP dealership
278001750
Unavailable
830
SEAL WIRE - Call your local BRP dealership
710000394
Unavailable
850
FEMALE HOUSING - Call your local BRP dealership
710000395
Unavailable
920
WIRE SEAL - Call your local BRP dealership
278001505
Unavailable
940
FEMALE TERMINAL - Call your local BRP dealership
278001661
Unavailable
