- Partiron
- OEM Parts
- Sea-doo
- Boats
- 2010
- Speedster
- 200 Speedster 510, 2 x 255 (1503HO), 2010
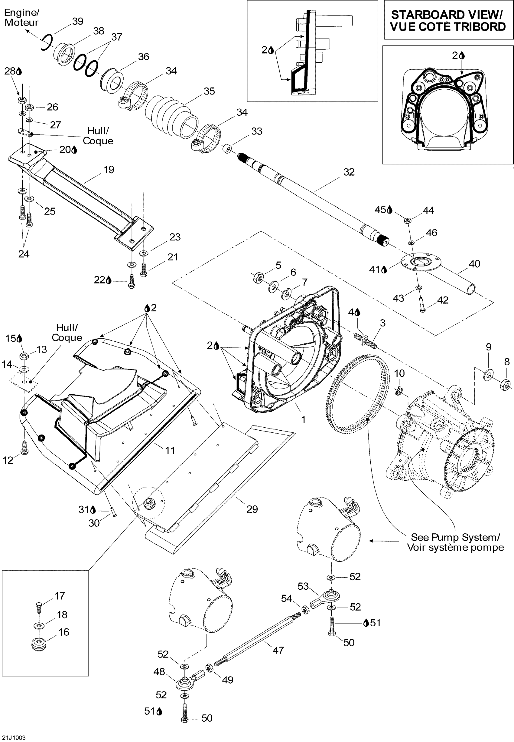
Propulsion
Sea-doo 200 Speedster 510, 2 x 255 (1503HO), 2010 Propulsion Diagram
#
Description
Price
1
PUMP SUPPORT - Call your local BRP dealership
204120313
Unavailable
11
RIDE PLATE, PORT SIDE - Call your local BRP dealership
271001669
Unavailable
11
PLATE_RIDE - Call your local BRP dealership
271001670
Unavailable
12
PHILLIPS SCREW M6 X 40 - Call your local BRP dealership
208564060
Unavailable
19
FIXED GRATE - Call your local BRP dealership
271001671
Unavailable
19
FIXED GRATE - Call your local BRP dealership
271001672
Unavailable
24
PHILLIPS SCREW M6 X 35 - Call your local BRP dealership
208663560
Unavailable
29
EXTN PLATE,PORT - Call your local BRP dealership
271001687
Unavailable
29
EXTN PLATE,STBD - Call your local BRP dealership
271001688
Unavailable
30
PHILLIPS SCREW M6 X 20 - Call your local BRP dealership
208462060
Unavailable
40
SHAFT GUARD ASSY - Call your local BRP dealership This part replaces 271001715.
271001834
Unavailable
47
LINK ROD - Call your local BRP dealership
204120255
Unavailable
48
BALL JOINT - Call your local BRP dealership
204120075
Unavailable
49
HEX. NUT 5/16-24 - Call your local BRP dealership
211100034
Unavailable
53
BALL JOINT - Call your local BRP dealership
204120074
Unavailable
54
HEX. NUT 5/16-24 - Call your local BRP dealership | Single HO Engine Models
277000439
Unavailable
