Partiron

KTM 1290 SUPER DUKE R EVO, black 2022 SHOCK ABSORBER Diagram

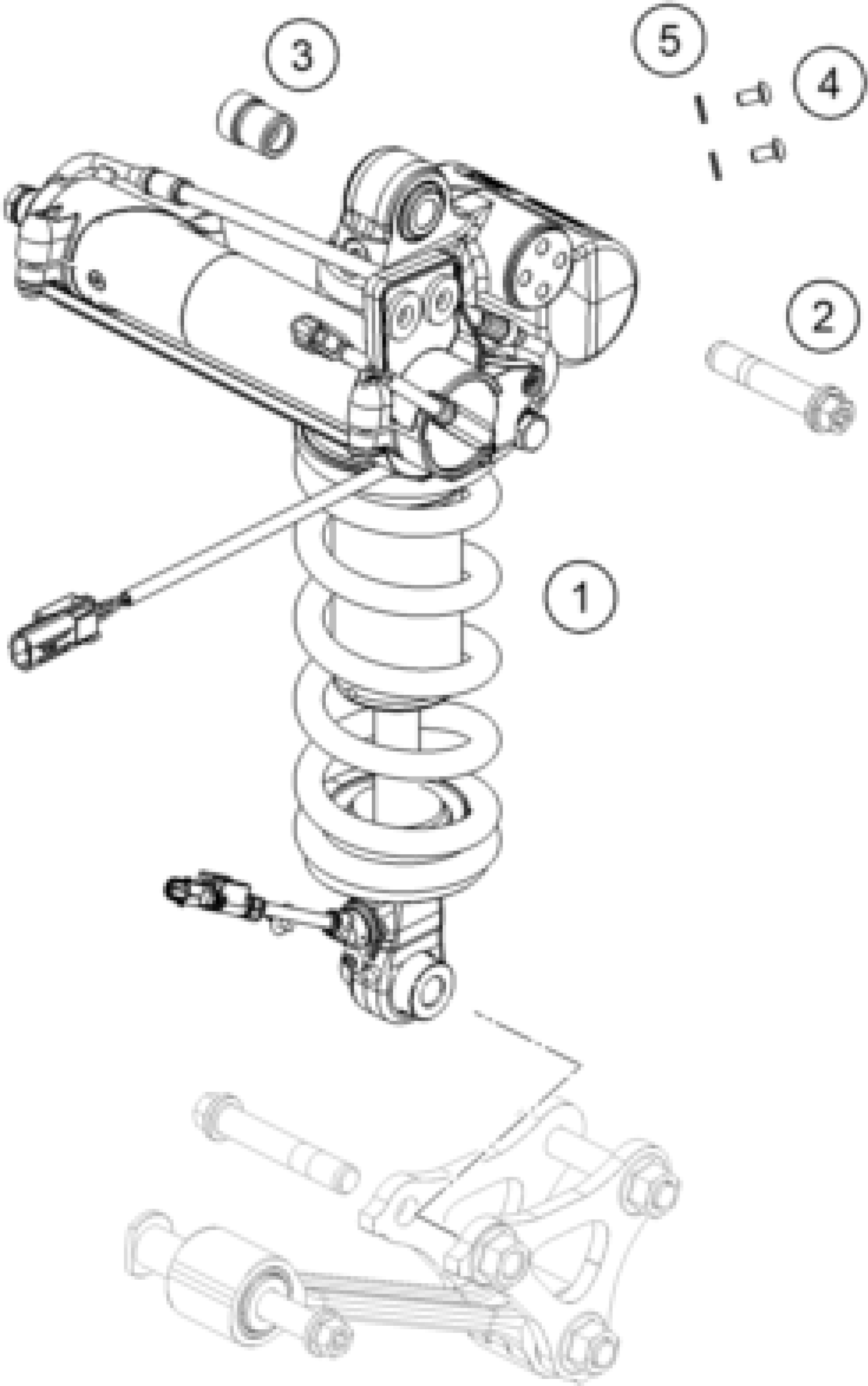
#

Description
Price

1

shock Super Duke R 2022 semi a

0641C422V307000

$2,739.64

2

Hex.bolt w.ext.hex.w.collar M1

0025120606S

$5.23

3

bushing shock mounting

64104030020

$16.35

4

Flat head screw ISO7380 M5X10

0738050103

$1.49

5

Wedge lock washer 5,4x10,8x1,8

0252010501100

$2.05