- Partiron
- OEM Parts
- KTM
- Street
- Naked Bike
- Naked
- Naked Small
- 125 Sting
- 125 STING 1997
- 125 STING '97 <1997>
CARBURETOR
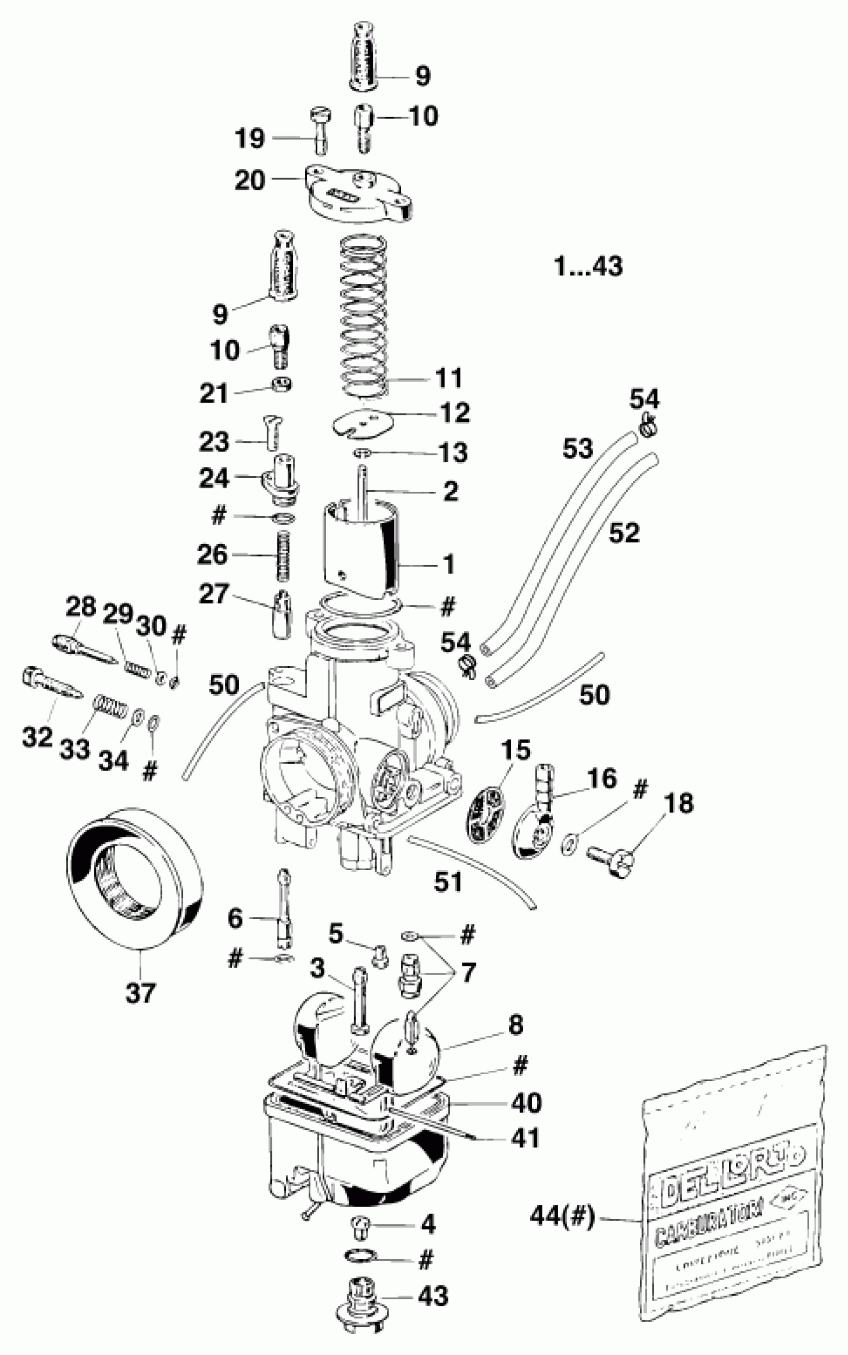
KTM 125 STING '97 <1997> CARBURETOR Diagram
#
Description
Price
0
CARBURETOR PHBH 28 VS (4171)
51131001044
Unavailable
1
THROTTLE SLIDE NR.30
49031135130
Unavailable
1
* THROTTLE SLIDE NR.40
49031135140
Unavailable
2
JET NEEDLE 83
49031134124
Unavailable
3
NEEDLE JET GM1 264
51131021264
Unavailable
4
MAIN JET 132
57031523132
Unavailable
6
STARTING JET 65
51131051065
Unavailable
6
STARTING JET 70
51131051070
Unavailable
8
FLOAT 9010-1 9,5 GRAM
49031109100
Unavailable
11
* SLIDING SPRING 1,1X105
49031130100
Unavailable
12
WASHER
49031131100
Unavailable
20
CARBURETOR COVER
49031127100
Unavailable
23
FLAT HEAD SCREW DIN963-M4,5X14
0963045143
Unavailable
24
COVER FOR STARTER HOUSING
57031555000
Unavailable
28
MIXTURE CONTROL SCREW M7X0,75
51131017000
Unavailable
37
CONNECTOR AIR INTAKE 28 D=60MM
51131040000
Unavailable
40
FLOAT CHAMBER
51131011000
Unavailable
43
PLUG M10
49031114100
Unavailable
44
GASKET SET PHBH 28 VS
51131099000
Unavailable
50
PVC-HOSE 3X5MM
52031137001
Unavailable
51
PVC-HOSE 4X6MM
31007007101
Unavailable
52
TUBE 5X12 L=250MM
42403437
Unavailable
53
TUBE 5X12 L=230MM
42403397
Unavailable
