- Partiron
- OEM Parts
- Kawasaki
- watercraft
- 2004
- 1200 STX-R
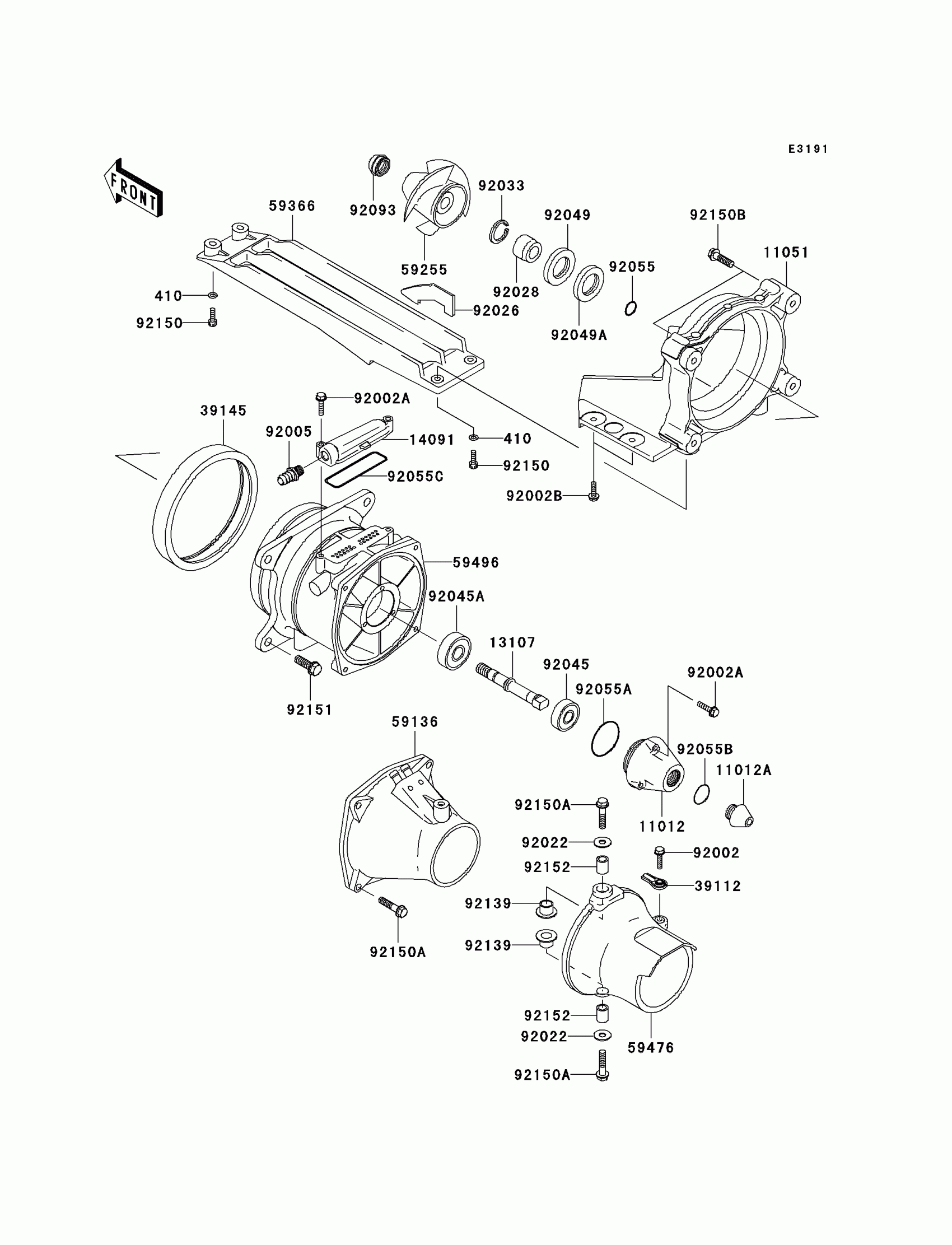
Jet Pump(C1)
Kawasaki 1200 STX-R Jet Pump(C1) Diagram
#
Description
Price
11012A
CAP
11012-3786
Unavailable
59496
VANE-GUIDE
59496-3737
Unavailable
92055C
RING-O,70.2X74.0X1.90
92055-3765
Unavailable
92139
BUSHING
92139-3701
Unavailable
