Partiron

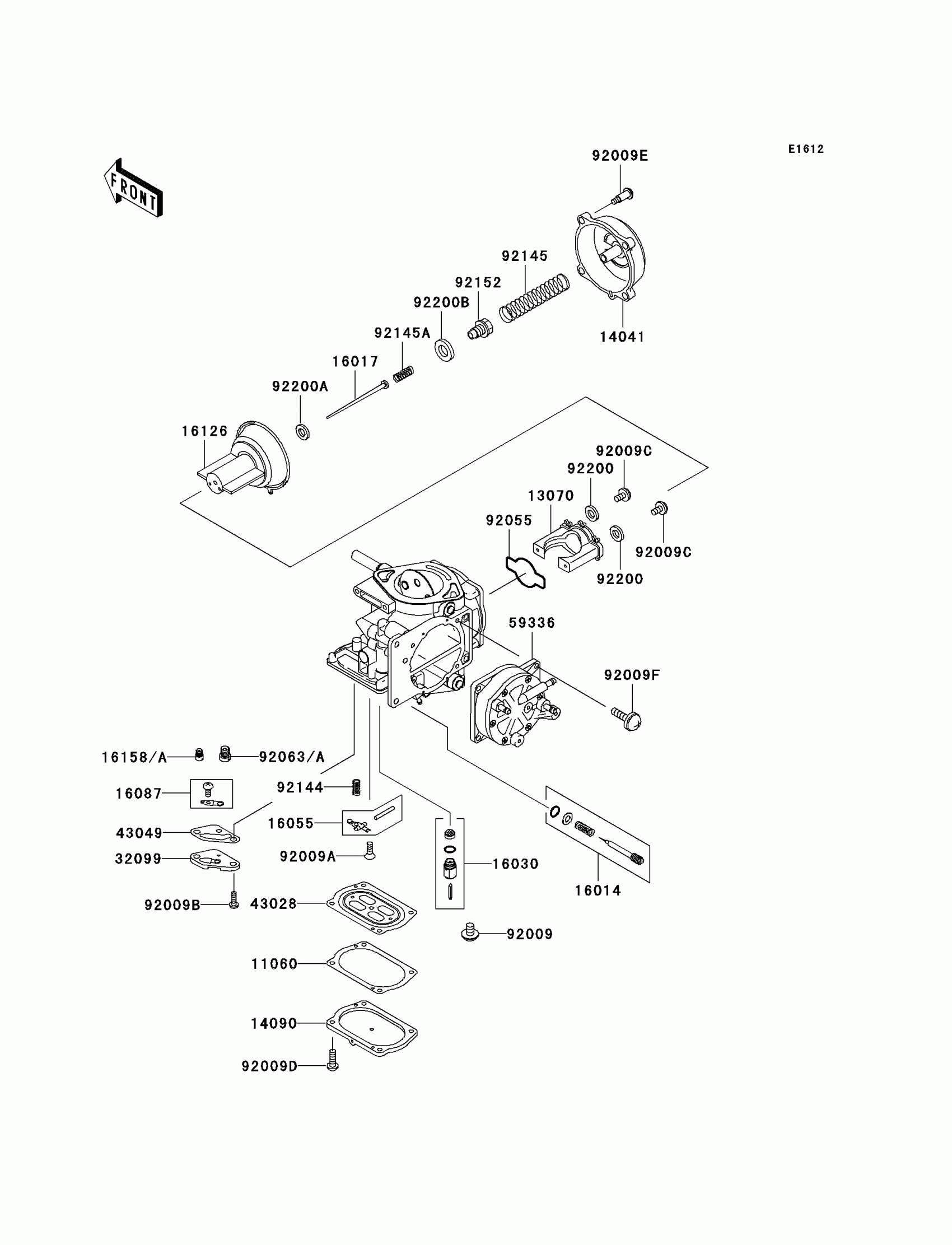
Kawasaki 1200 STX-R Carburetor Parts Diagram

#

Description
Price

11060

GASKET,DIAPHRAGM COVER

11060-3789

$12.94

13070

GUIDE,VACUUM VALVE

13070-3727

$41.69

14041

COVER-COMP,MIXING

14041-1100

$86.95

14090

COVER,DIAPHRAGM

14090-3816

$35.87

16014

SCREW-PILOT AIR

16014-3701

$53.24

16017

JET-NEEDLE,N8DC

16017-3705

$42.45

16030

VALVE-FLOAT

16030-3704

$52.50

16055

ARM-FLOAT

16055-3703

$55.56

16087

VALVE-CHECK

16087-3706

$32.52

16126

VALVE,VACUUM

16126-3706

$217.49

16158

JET-SLOW,#48

16158-3724

$26.96

16158A

JET-SLOW,#45

16158-3725

$24.77

32099

CASE,JET

32099-3833

$43.92

43028

DIAPHRAGM,CARBURETOR

43028-3711

$89.55

43049

PACKING,JET CASE

43049-3713

$10.51

59336

CASE-PUMP,DIAPHRAGM

59336-3717

$243.16

92009

SCREW

92009-1771

$6.61

92009A

SCREW,3X8

92009-3712

$2.38

92009B

SCREW,4X8

92009-3804

$5.23

92009C

SCREW,VALVE GUIDE

92009-3839

$9.47

92009D

SCREW,DIAPHRAGM COVER

92009-3840

$2.97

92009E

SCREW,MIXING COVER

92009-3841

$3.69

92009F

SCREW,6X16

92009-3865

$5.00

92055

RING-O,VACUUM VALVE GUIDE

92055-3749

$6.38

92063

JET-MAIN,#165

92063-3720

$22.93

92063A

JET-MAIN,#155

92063-3723

$19.72

92144

SPRING,FLOAT ARM

92144-3764

$10.19

92145

SPRING,VALVE

92145-3714

$28.51

92145A

SPRING,JET NEEDLE

92145-3715

$8.94

92152

COLLAR,JET NEEDLE

92152-3706

$27.16

92200

WASHER,VALVE GUIDE

92200-3772

$3.97

92200A

WASHER,JET NEEDLE

92200-3773

$4.78

92200B

WASHER,JET NEEDLE COLLAR

92200-3774

$5.59