- Partiron
- OEM Parts
- KTM
- Street
- Sport Bike
- Super Bike
- Super Bike Big
- 1190 RC8 R
- 1190 RC8 R 2009
- 1190 RC 8 R 2009
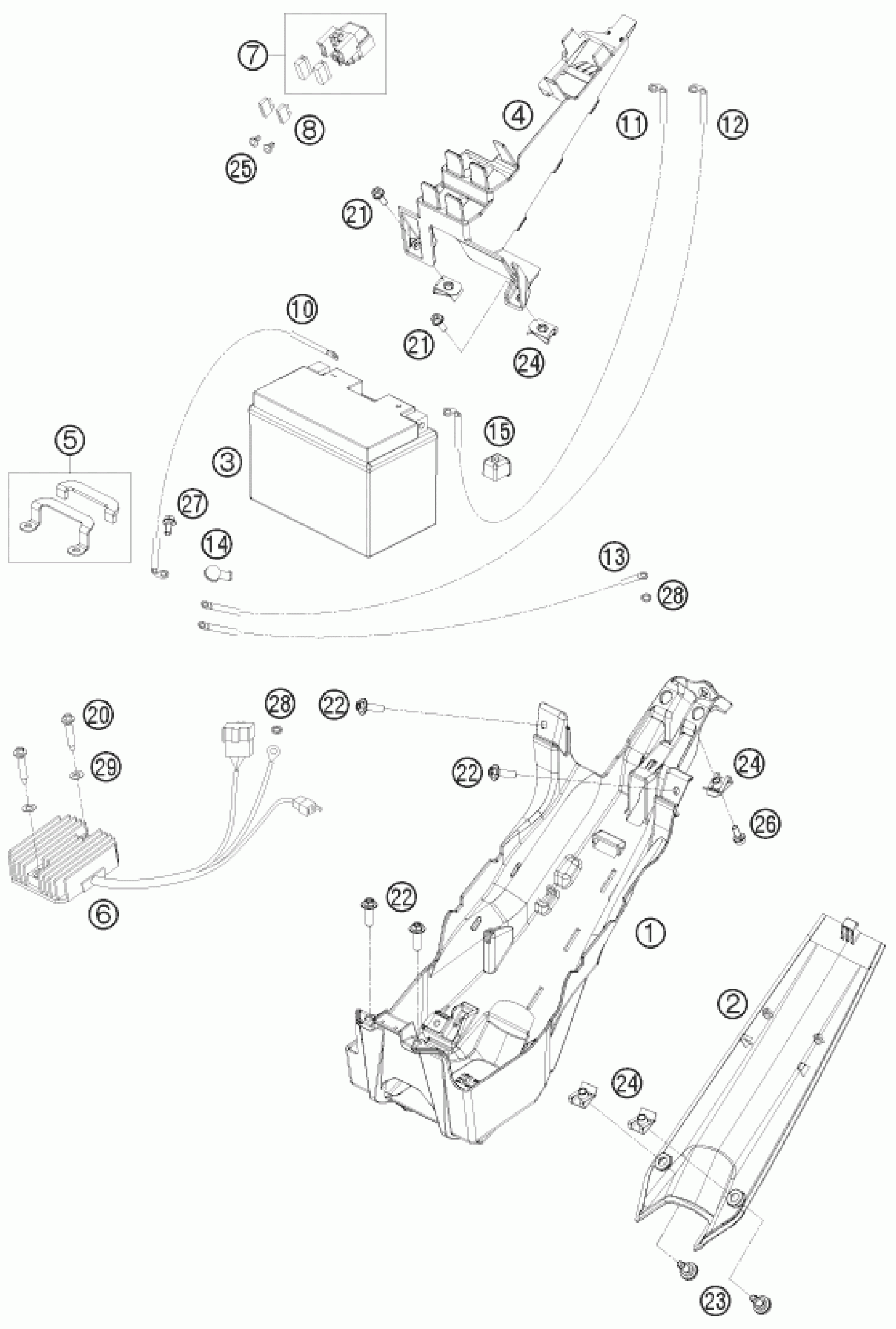
BATTERY
KTM 1190 RC 8 R 2009 BATTERY Diagram
#
Description
Price
BATTERY
#
Edit ride
