Partiron

Kawasaki 1100 ZXi Oil Tank Diagram

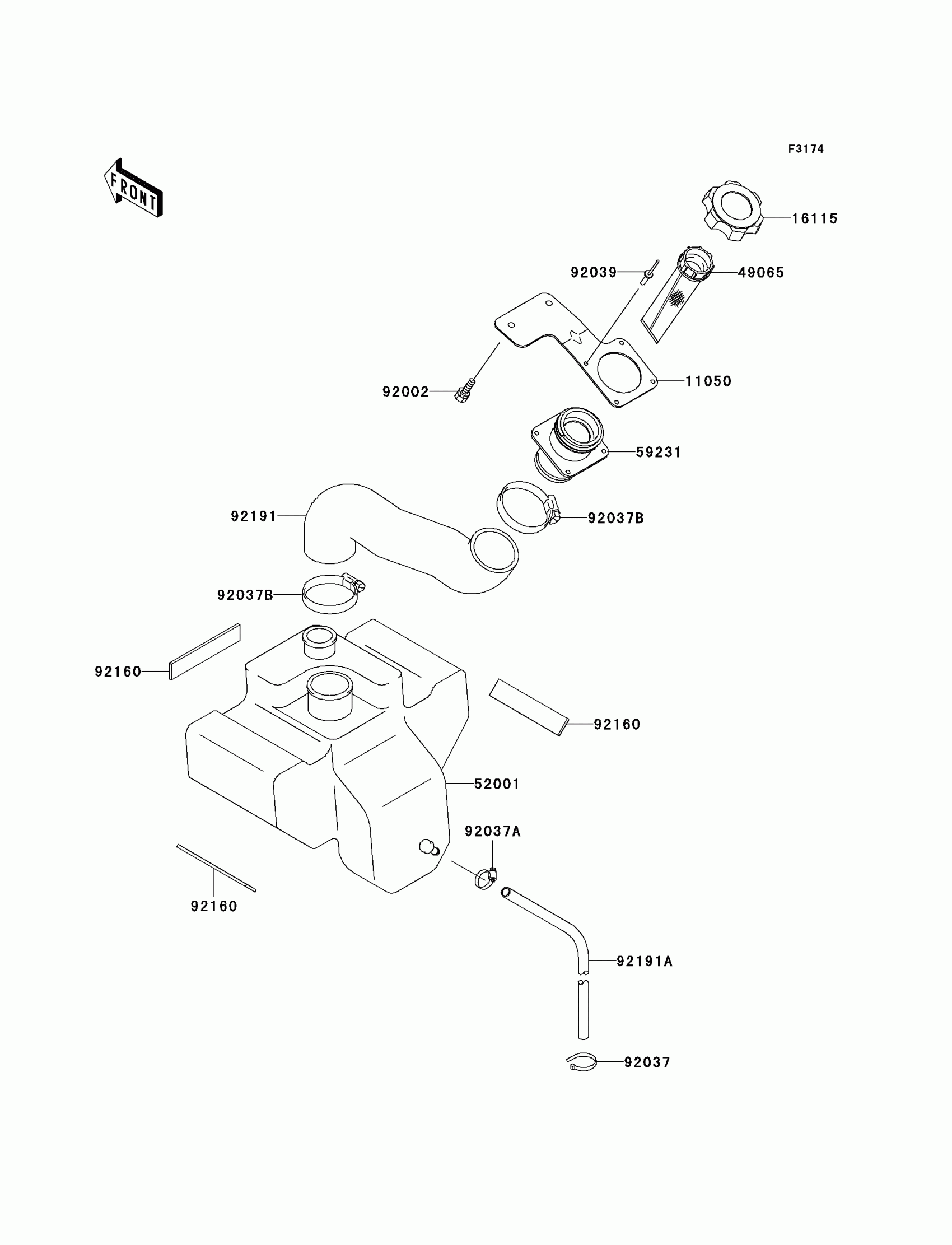
#

Description
Price

11050

BRACKET,OIL FILLER

11050-3783

$30.69

16115

CAP-OIL FILLER

16115-3720

$59.68

49065

FILTER-OIL

49065-3703

$16.03

52001

TANK-OIL

52001-3729

$42.96

59231

FILLER

59231-3715

$11.90

92002

BOLT,6X16

92002-3728

$4.69

92037

CLAMP

92037-1173

$3.49

92037A

CLAMP

92037-3726

$3.98

92037B

CLAMP

92037-509

$5.58

92039

RIVET

92039-3748

$1.88

92160

DAMPER

92160-3840

$5.88

92191

TUBE

92191-3819

$49.73

92191A

TUBE,5.8X10.8X140

92191-3823

Unavailable