- Partiron
- OEM Parts
- Can-Am
- SXS
- 2021
- SSV - Defender Series
- Defender PRO HD10 - Lone Star - 2021
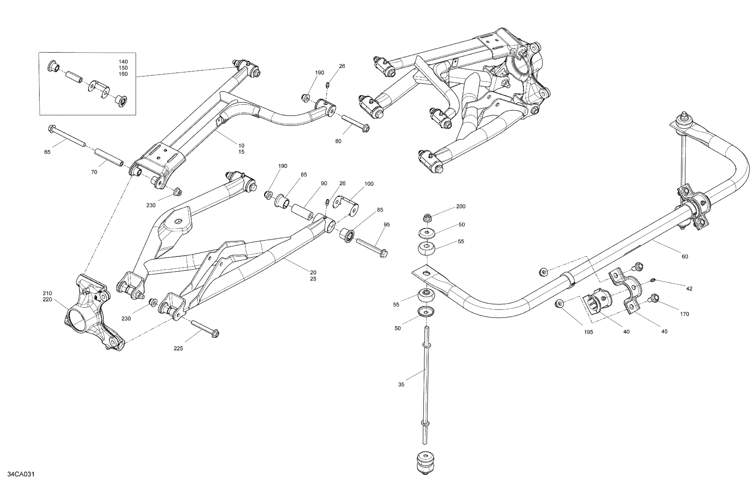
Suspension - Rear
Can-Am Defender PRO HD10 - Lone Star - 2021 Suspension - Rear Diagram
#
Description
Price
Suspension - Rear
#
Edit ride
