- Partiron
- OEM Parts
- Ski-Doo
- 2022
- SKI-DOO - EXPEDITION Series
- EXPEDITION SWT 900 ACE - 2022
Miscellaneous - Utilities
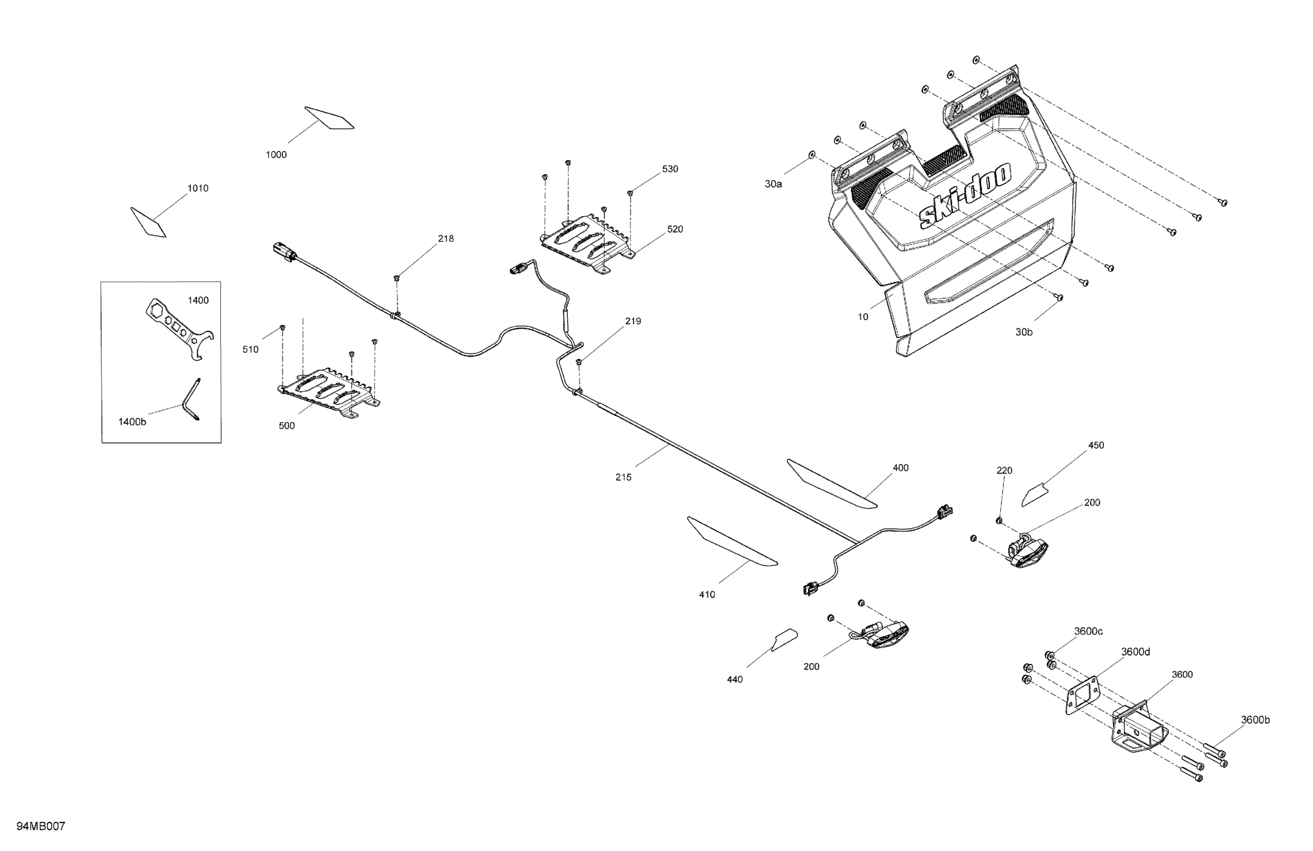
Ski-Doo EXPEDITION SWT 900 ACE - 2022 Miscellaneous - Utilities Diagram
#
Description
Price
Miscellaneous - Utilities
#
Edit ride
