- Partiron
- OEM Parts
- Can-Am
- ATV
- 2023
- ATV - Outlander 6X6 Series
- Outlander T MAX 6X6 - 1000 EFI - XU+ - T Regulation, 2023
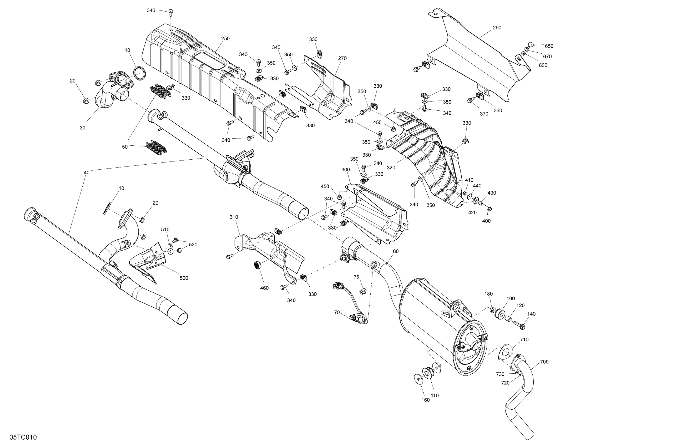
Engine - Exhaust
Can-Am Outlander T MAX 6X6 - 1000 EFI - XU+ - T Regulation, 2023 Engine - Exhaust Diagram
#
Description
Price
