- Partiron
- OEM Parts
- Can-Am
- ATV
- 2022
- ATV - Outlander 1000R Series
- Outlander MAX 1000R EFI - LTD - 2022
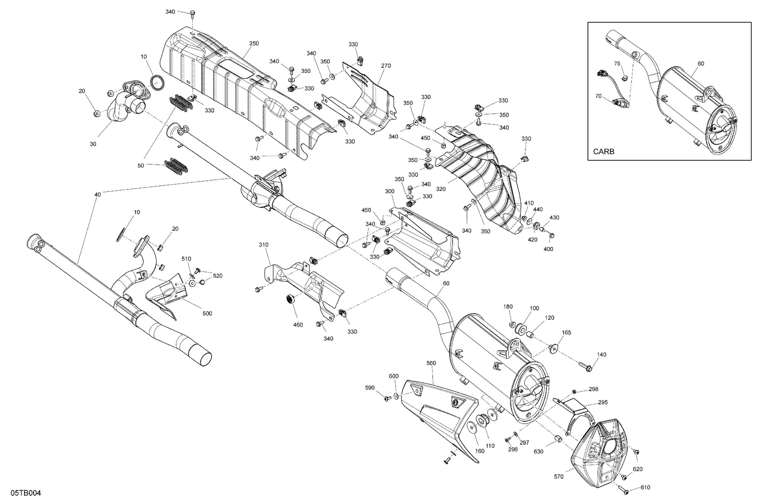
Engine - Exhaust
Can-Am Outlander MAX 1000R EFI - LTD - 2022 Engine - Exhaust Diagram
#
Description
Price
Engine - Exhaust
#
Edit ride
