- Partiron
- OEM Parts
- Ski-Doo
- 2023
- SKI-DOO - RENEGADE Series
- RENEGADE 600R E-TEC - X - 2023
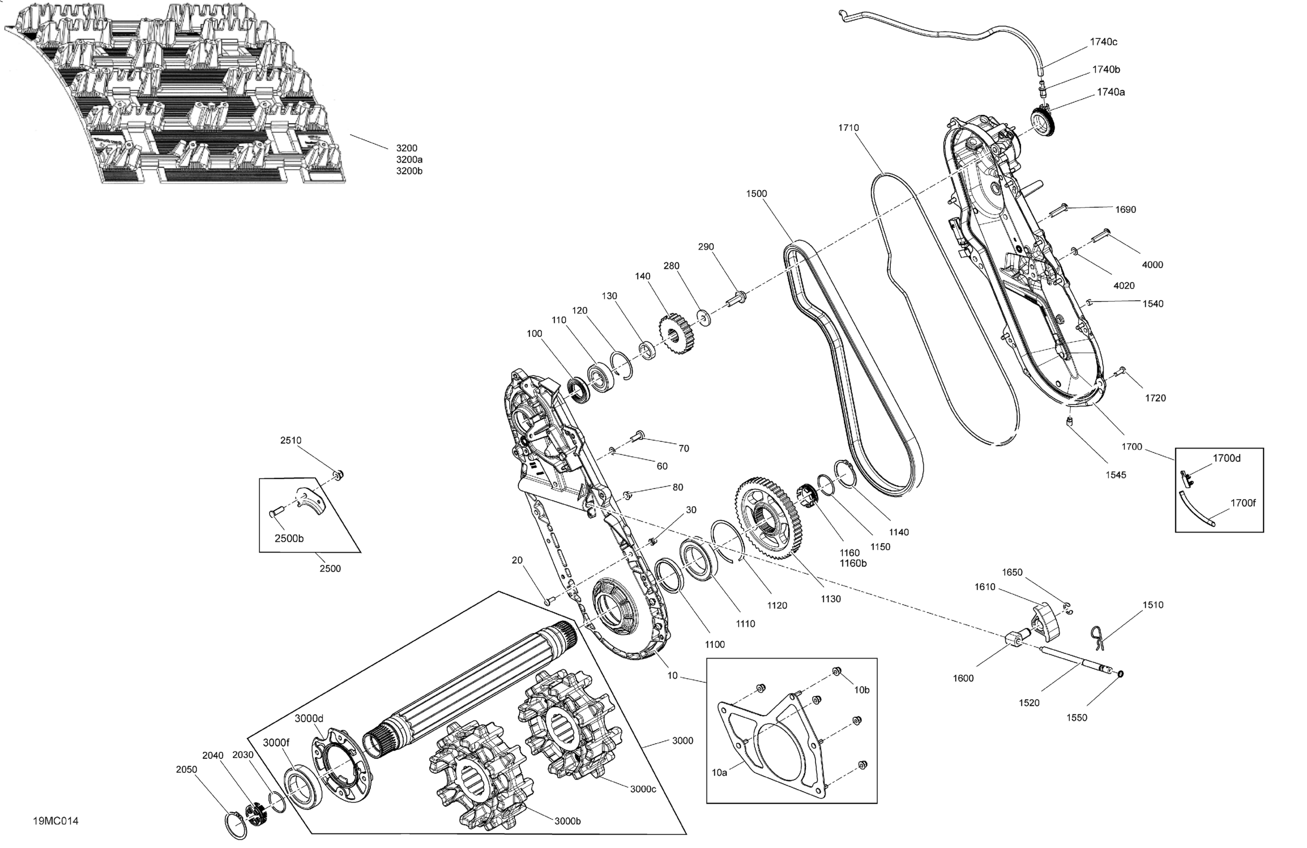
Drive - System
Ski-Doo RENEGADE 600R E-TEC - X - 2023 Drive - System Diagram
#
Description
Price
3000b
Sprocket, 8 Teeth
504153880
Unavailable
3000c
Sprocket, 8 Teeth
504153881
Unavailable
