- Partiron
- OEM Parts
- Can-Am
- ATV
- 2022
- ATV - Outlander 450 Series
- Outlander 450 EFI - STD - 2022
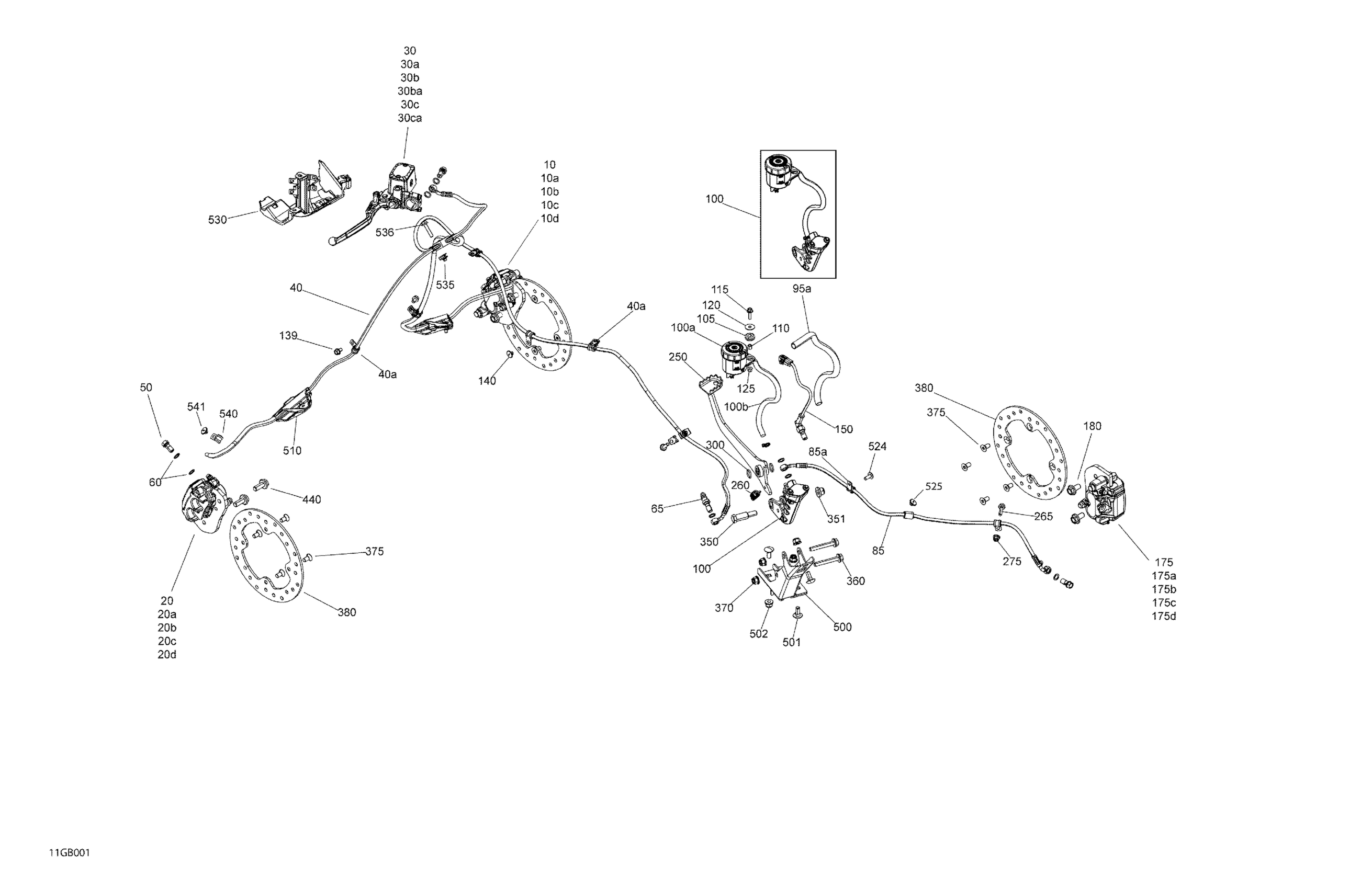
Mechanic - Brake System
Can-Am Outlander 450 EFI - STD - 2022 Mechanic - Brake System Diagram
#
Description
Price
Mechanic - Brake System
#
Edit ride
