- Partiron
- OEM Parts
- Can-Am
- ATV
- 2022
- ATV - Outlander 850 Series
- Outlander 850 EFI - XMR - 2022
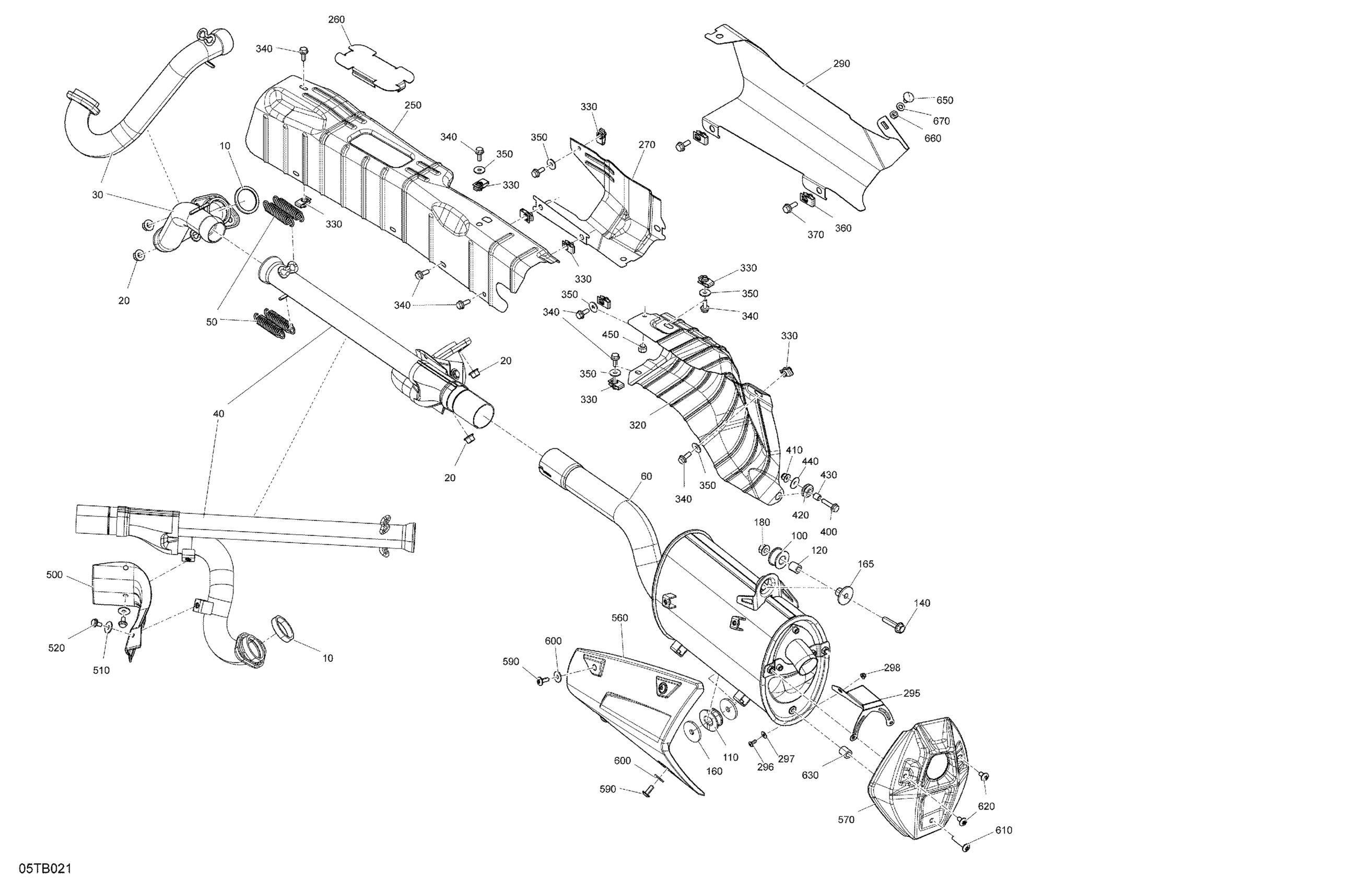
Engine - Exhaust
Can-Am Outlander 850 EFI - XMR - 2022 Engine - Exhaust Diagram
#
Description
Price
Engine - Exhaust
#
Edit ride
