- Partiron
- OEM Parts
- Sea-doo
- Watercraft
- 2020
- GTI Series
- GTI 130 PRO (Rental), 2020
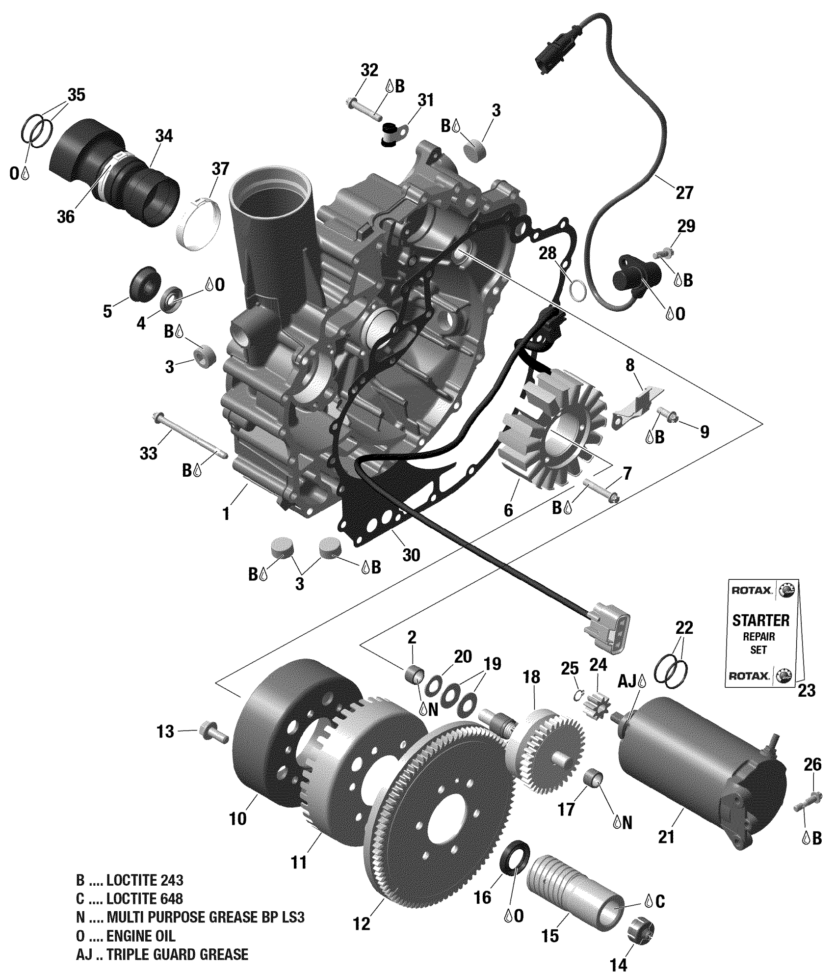
PTO Cover And Magneto
Sea-doo GTI 130 PRO (Rental), 2020 PTO Cover And Magneto Diagram
#
Description
Price
PTO Cover And Magneto
#
Edit ride
