- Partiron
- OEM Parts
- Can-Am
- SXS
- 2020
- SSV - Defender Series
- Defender HD8 - 2020
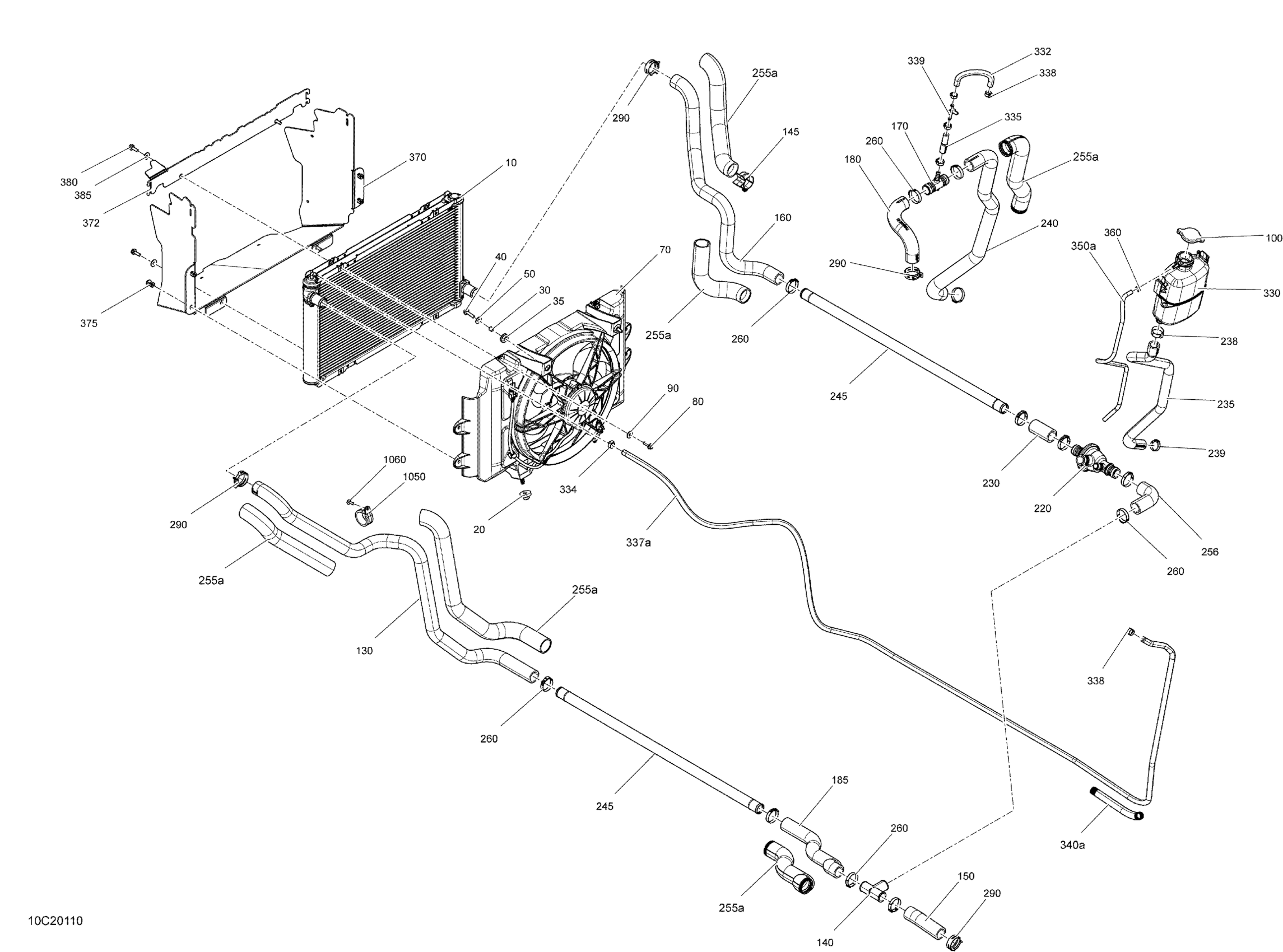
Cooling - System
Can-Am Defender HD8 - 2020 Cooling - System Diagram
#
Description
Price
Cooling - System
#
Edit ride
