- Partiron
- OEM Parts
- Can-Am
- SXS
- 2022
- SSV - Defender HD9 Series
- Defender HD9 - BASE - 2022
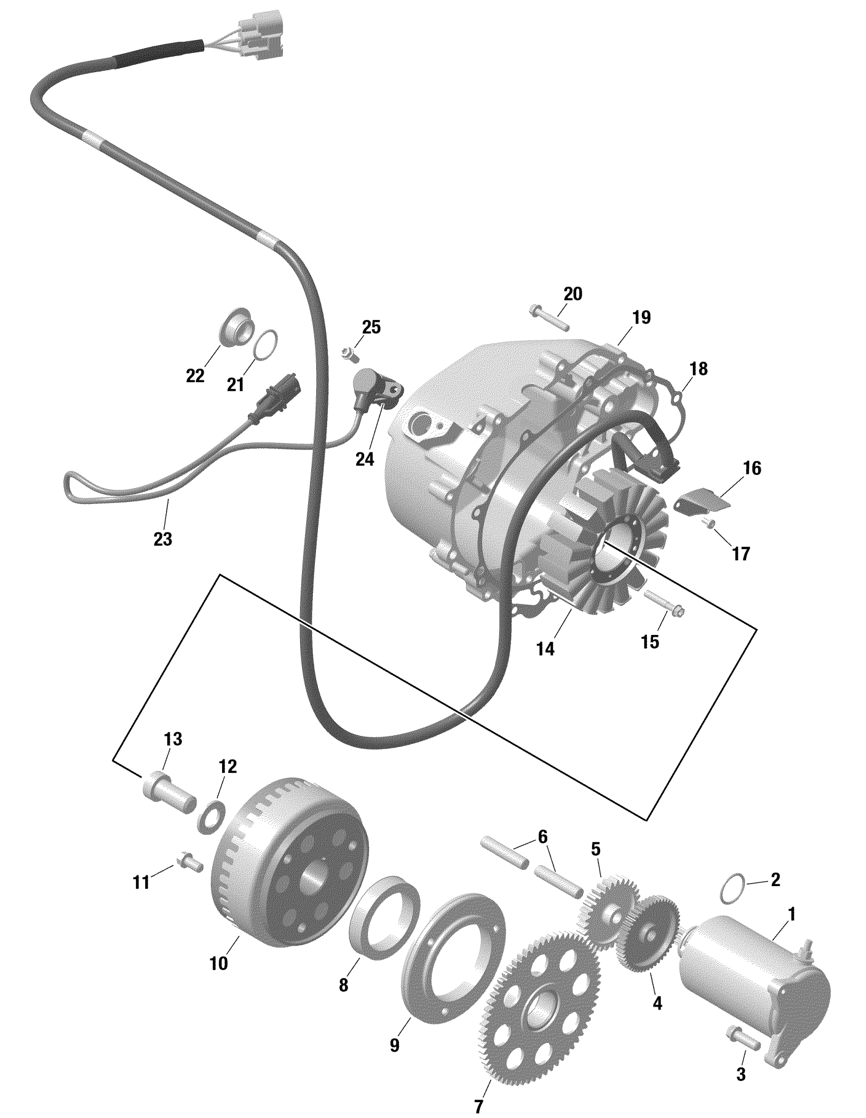
ROTAX - Magneto and Electric Starter
Can-Am Defender HD9 - BASE - 2022 ROTAX - Magneto and Electric Starter Diagram
#
Description
Price
ROTAX - Magneto and Electric Starter
#
Edit ride
