- Partiron
- OEM Parts
- Ski-Doo
- 2022
- SKI-DOO - SKANDIC Series
- SKANDIC WT 600 ACE - 2022
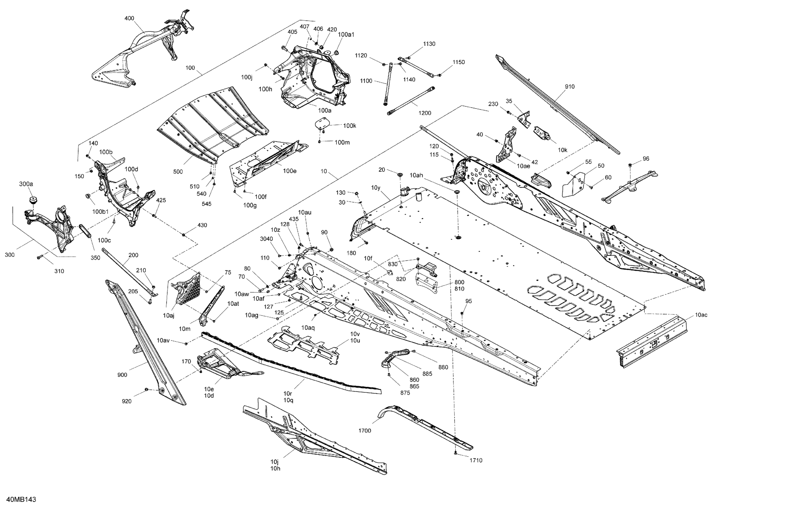
Frame - System
Ski-Doo SKANDIC WT 600 ACE - 2022 Frame - System Diagram
#
Description
Price
Frame - System
#
Edit ride
