- Partiron
- OEM Parts
- Can-Am
- ATV
- 2021
- ATV - T Series - Outlander 6X6 Series
- Outlander T MAX 6X6 - 450 EFI - XU+ - T Regulation, 2021
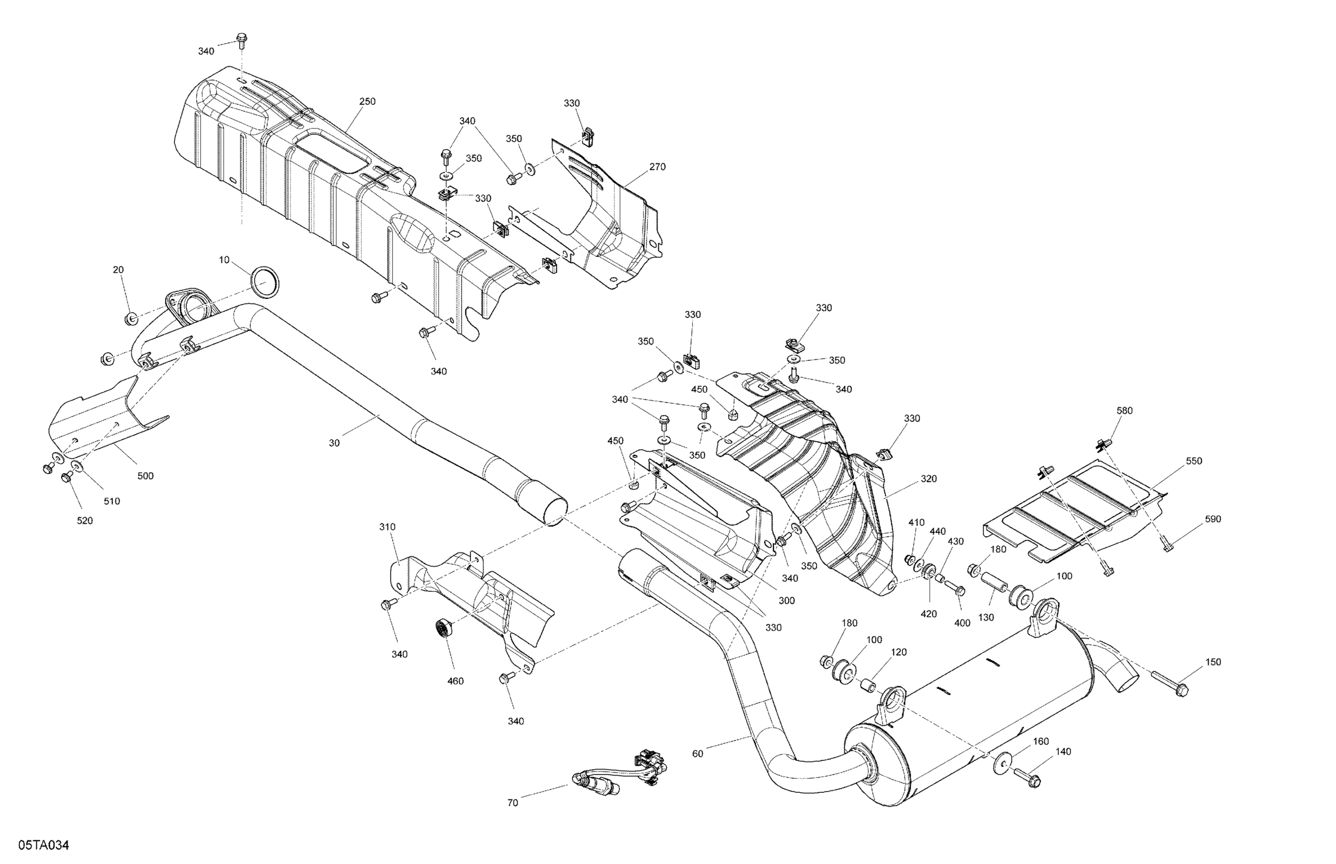
Engine - Exhaust
Can-Am Outlander T MAX 6X6 - 450 EFI - XU+ - T Regulation, 2021 Engine - Exhaust Diagram
#
Description
Price
