- Partiron
- OEM Parts
- Can-Am
- ATV
- 2020
- ATV - Outlander 450-570 Series
- Outlander MAX 450 EFI - 2020
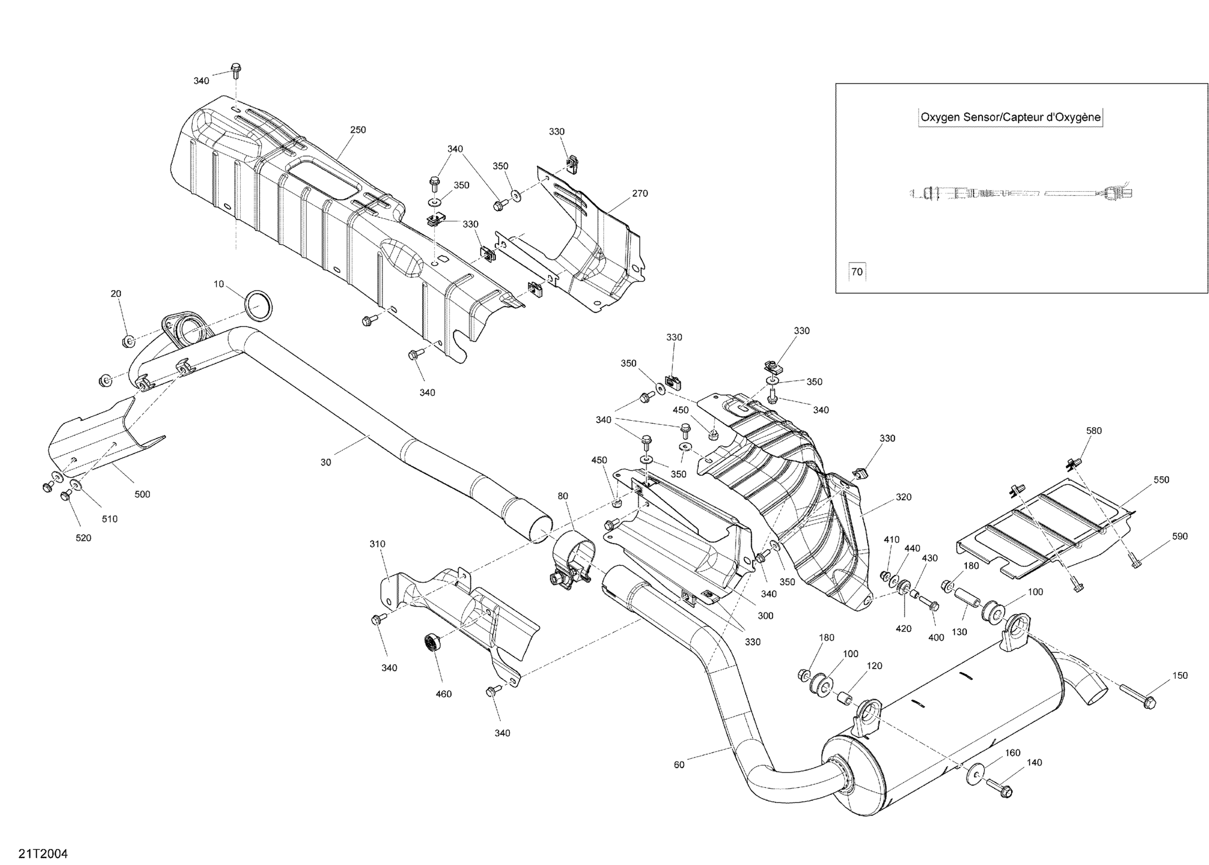
Exhaust
Can-Am Outlander MAX 450 EFI - 2020 Exhaust Diagram
#
Description
Price
Exhaust
#
Edit ride
