- Partiron
- OEM Parts
- Can-Am
- SXS
- 2020
- SSV - Defender Series
- Defender HD10 - XMR - 2020
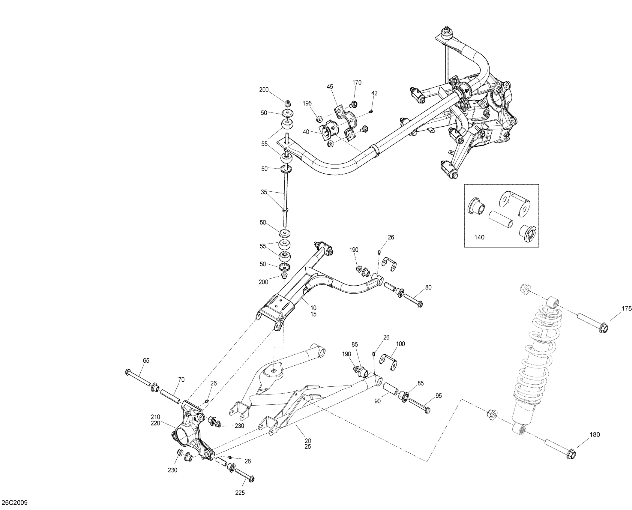
Suspension, Rear
Can-Am Defender HD10 - XMR - 2020 Suspension, Rear Diagram
#
Description
Price
Suspension, Rear
#
Edit ride
