- Partiron
- OEM Parts
- Can-Am
- SXS
- 2021
- SSV - CE - Traxter Series
- Traxter HD10 - XMR - CE, 2021
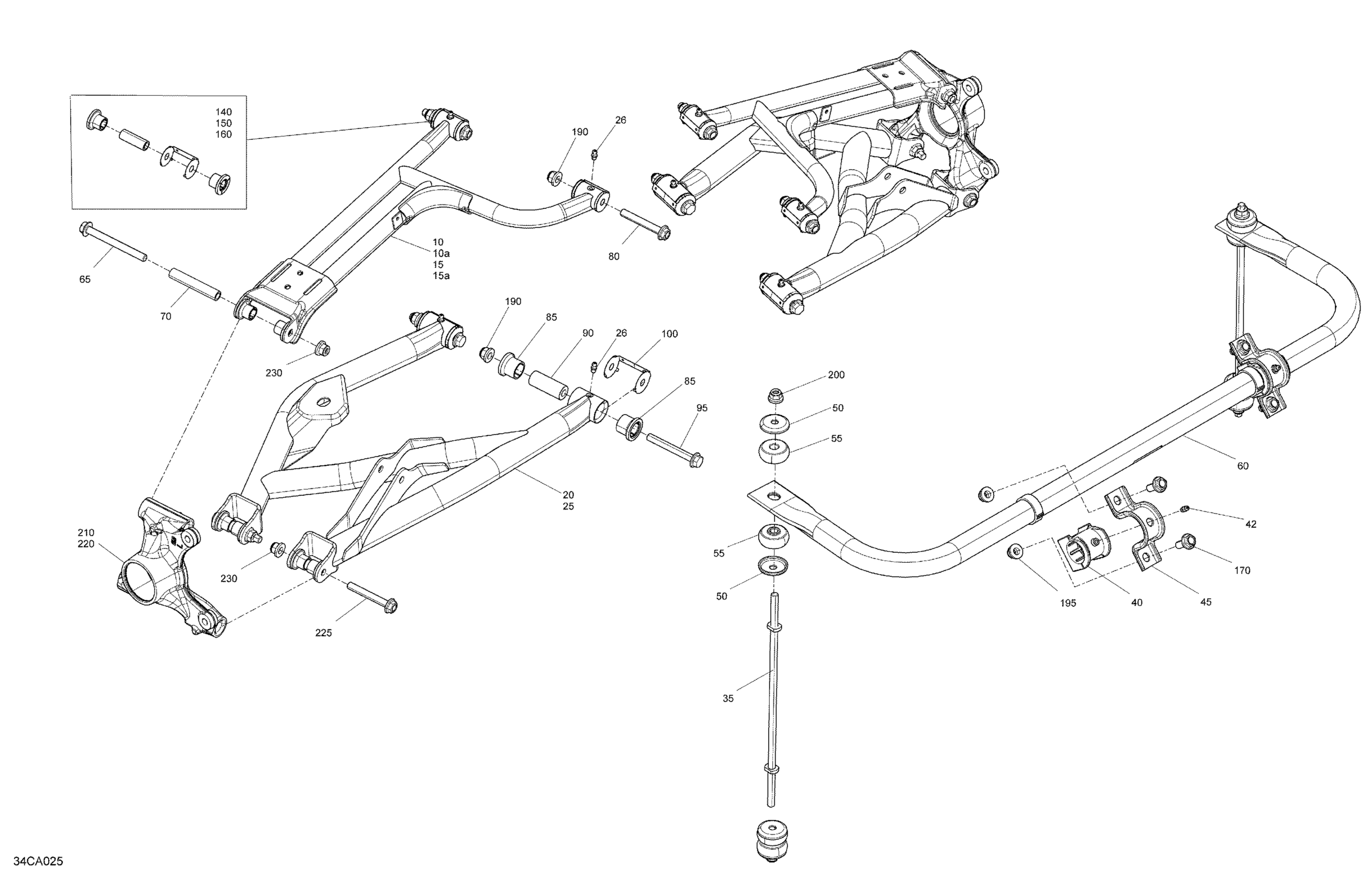
Suspension - Rear
Can-Am Traxter HD10 - XMR - CE, 2021 Suspension - Rear Diagram
#
Description
Price
25
SUSPENSION ARM INT R B-357 MANTA GREEN - Call your local BRP dealership
706003871
Unavailable
