- Partiron
- OEM Parts
- Can-Am
- ATV
- 2022
- ATV - CE - Outlander 450-570 Series
- Outlander 570 EFI - XU - CE, 2022
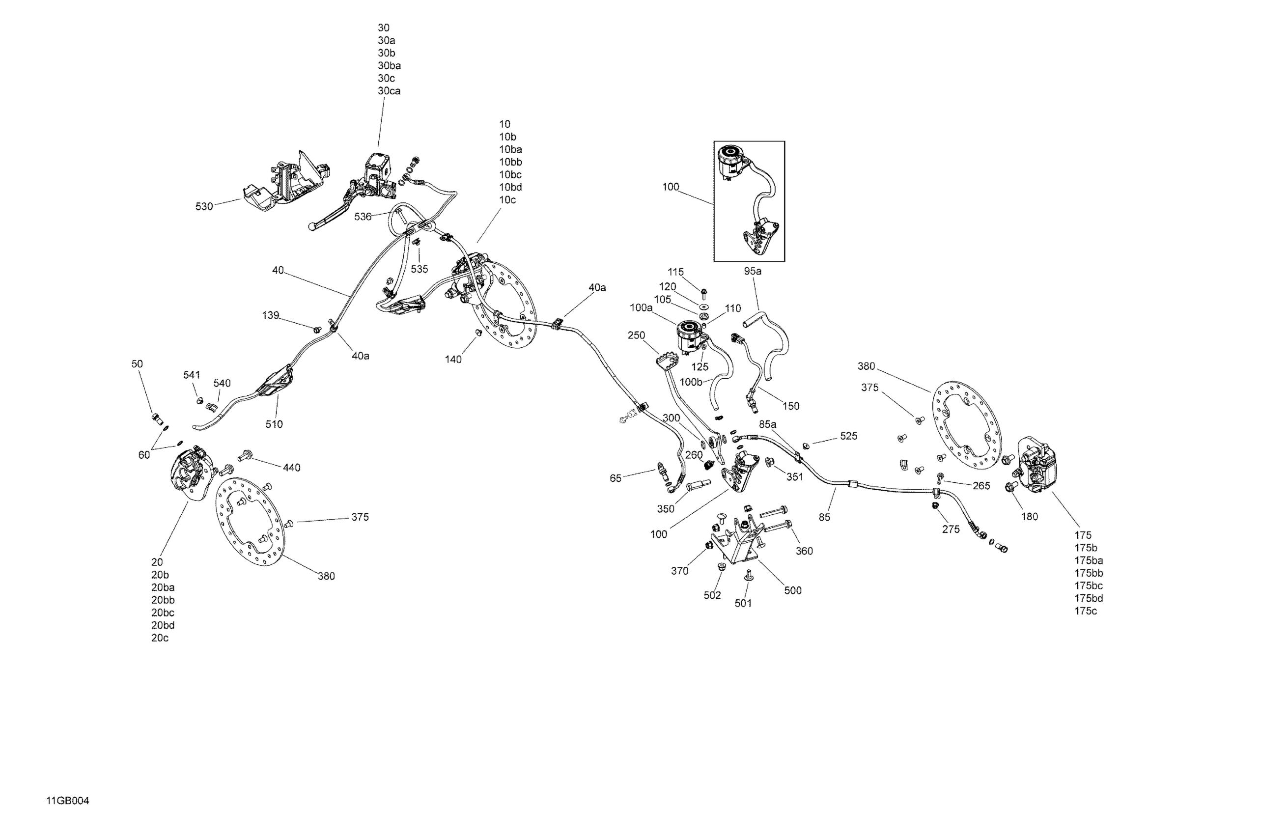
Mechanic - Brake System
Can-Am Outlander 570 EFI - XU - CE, 2022 Mechanic - Brake System Diagram
#
Description
Price
Mechanic - Brake System
#
Edit ride
