- Partiron
- OEM Parts
- Can-Am
- Can-Am SXS
- 2022
- 009 - SSV - North America - Maverick Trail Series
- 003 - Maverick Trail 1000 - DPS - North America, 2022
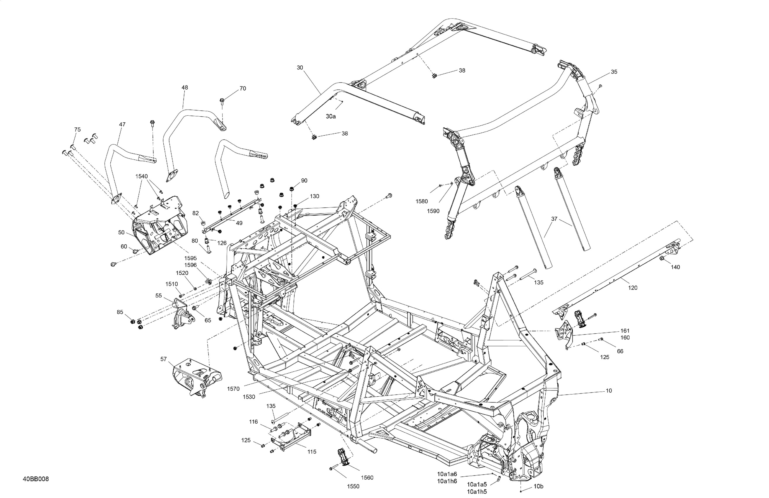
06- Frame - System
Can-Am 003 - Maverick Trail 1000 - DPS - North America, 2022 06- Frame - System Diagram
#
Description
Price
