- Partiron
- OEM Parts
- Ski-Doo
- 2022
- SKI-DOO - Europe - SUMMIT Series
- SUMMIT 600R E-TEC - SP - Package 154" Europe, 2022
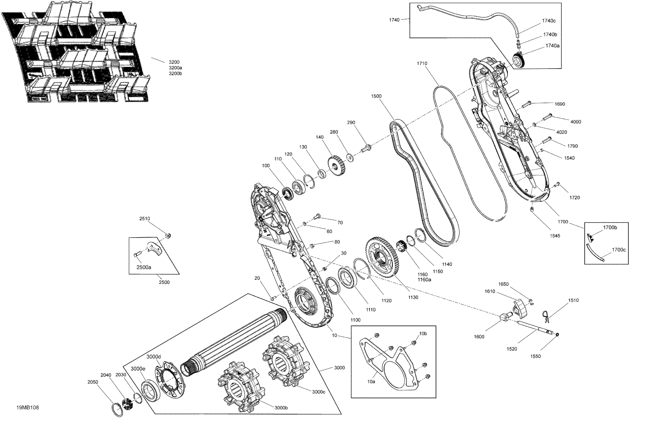
Drive - System
Ski-Doo SUMMIT 600R E-TEC - SP - Package 154" Europe, 2022 Drive - System Diagram
#
Description
Price
1740
Cap Ass'y | Includes 1740 to 1740c
504153535
Unavailable
3000b
Sold With Drive Axle
XXXX
Unavailable
3000c
Sold With Drive Axle
XXXX
Unavailable
