- Partiron
- OEM Parts
- Can-Am
- ATV
- 2021
- ATV - CE - Renegade Series
- Renegade 1000R EFI - XMR - NEO YELLOW - CE, 2021
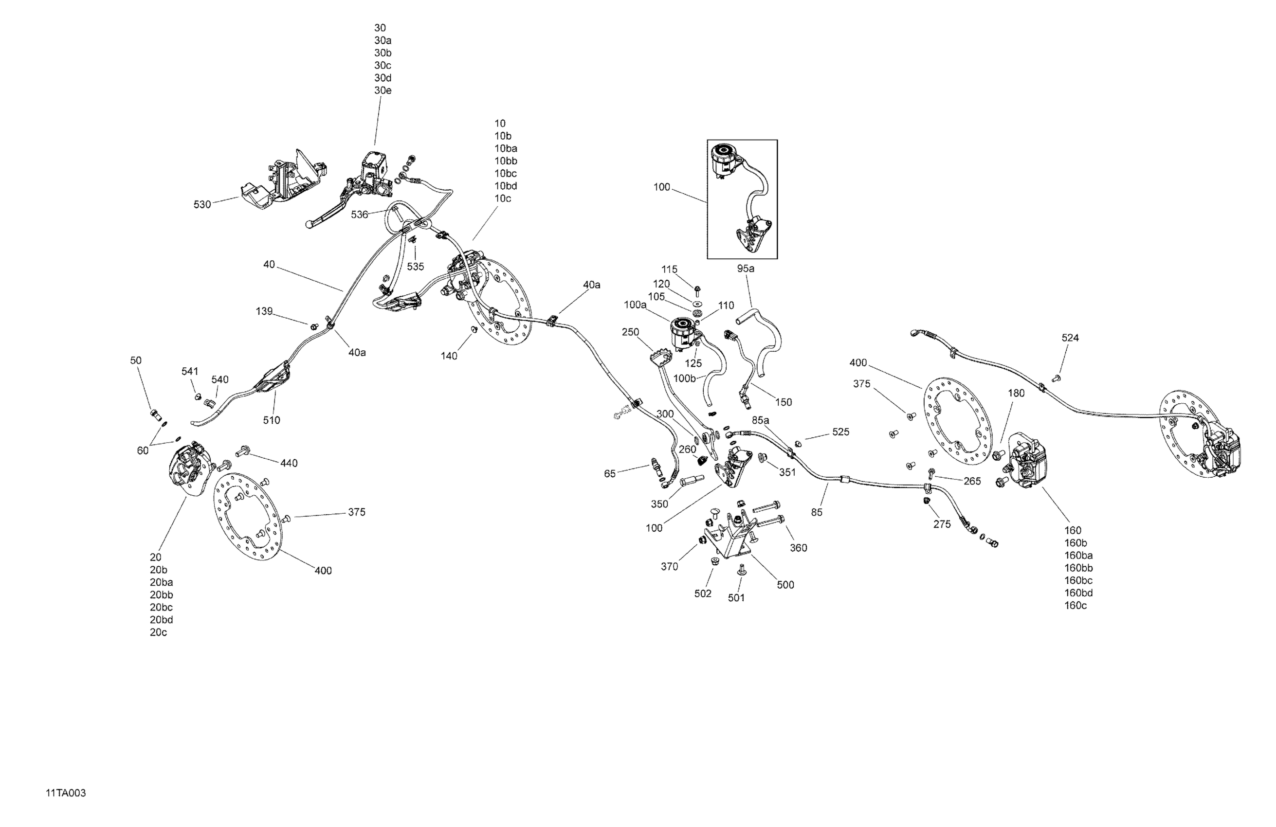
Mechanic - Brakes
Can-Am Renegade 1000R EFI - XMR - NEO YELLOW - CE, 2021 Mechanic - Brakes Diagram
#
Description
Price
