- Partiron
- OEM Parts
- Can-Am
- ATV
- 2022
- ATV - CE - Renegade Series
- Renegade 1000R EFI - XMR - CE, 2022
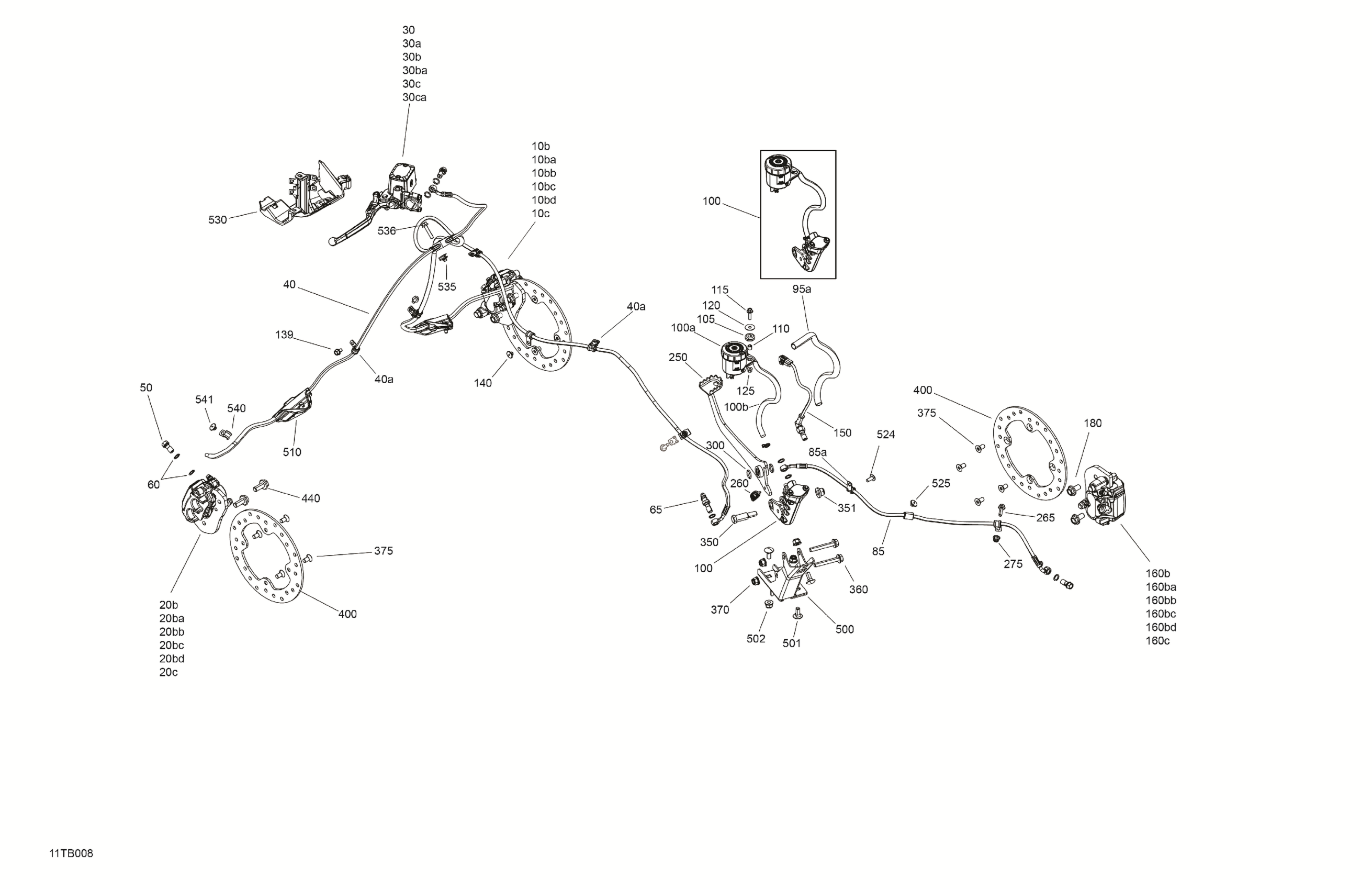
Mechanic - Brake System
Can-Am Renegade 1000R EFI - XMR - CE, 2022 Mechanic - Brake System Diagram
#
Description
Price
Mechanic - Brake System
#
Edit ride
