- Partiron
- OEM Parts
- Can-Am
- ATV
- 2023
- ATV - CE - Outlander 500/700 Series (new)
- Outlander DPS 700 - CE, 2023
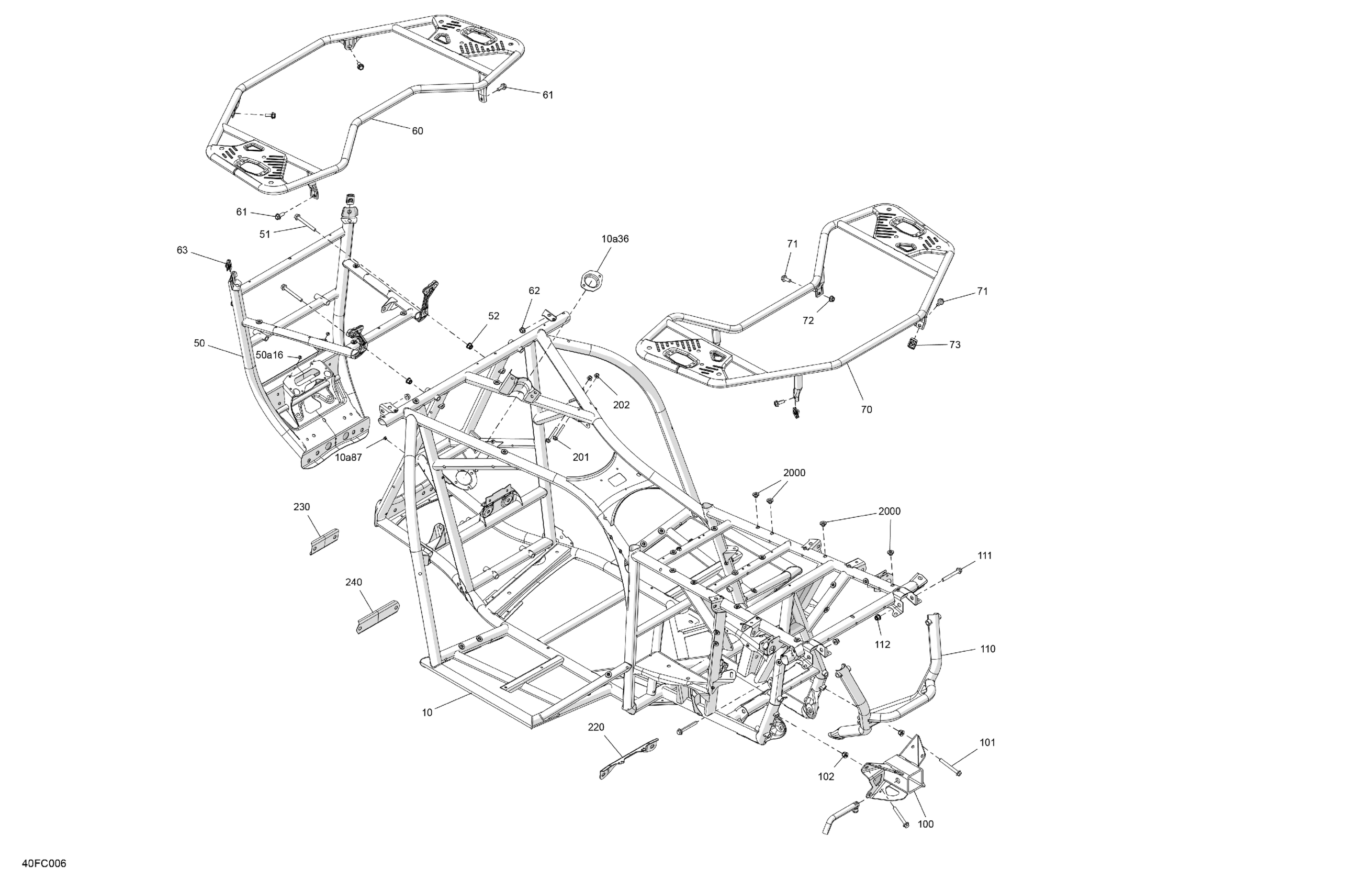
Frame - System
Can-Am Outlander DPS 700 - CE, 2023 Frame - System Diagram
#
Description
Price
Frame - System
#
Edit ride
