- Partiron
- OEM Parts
- Can-Am
- Can-Am SXS
- 2023
- 008 - SSV - North America - Maverick Sport Series
- 002 - Maverick Sport 1000R - XMR - North America, 2023
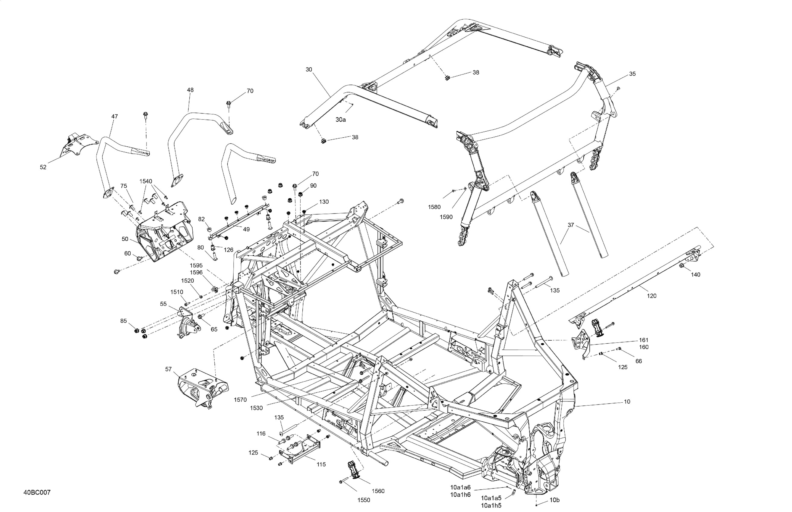
06- Frame - System
Can-Am 002 - Maverick Sport 1000R - XMR - North America, 2023 06- Frame - System Diagram
#
Description
Price
52
Front Anchorage Ass'y
705211909
Unavailable
