- Partiron
- OEM Parts
- Ski-Doo
- 2020
- SKI-DOO - TUNDRA Series
- TUNDRA 550F - 2020
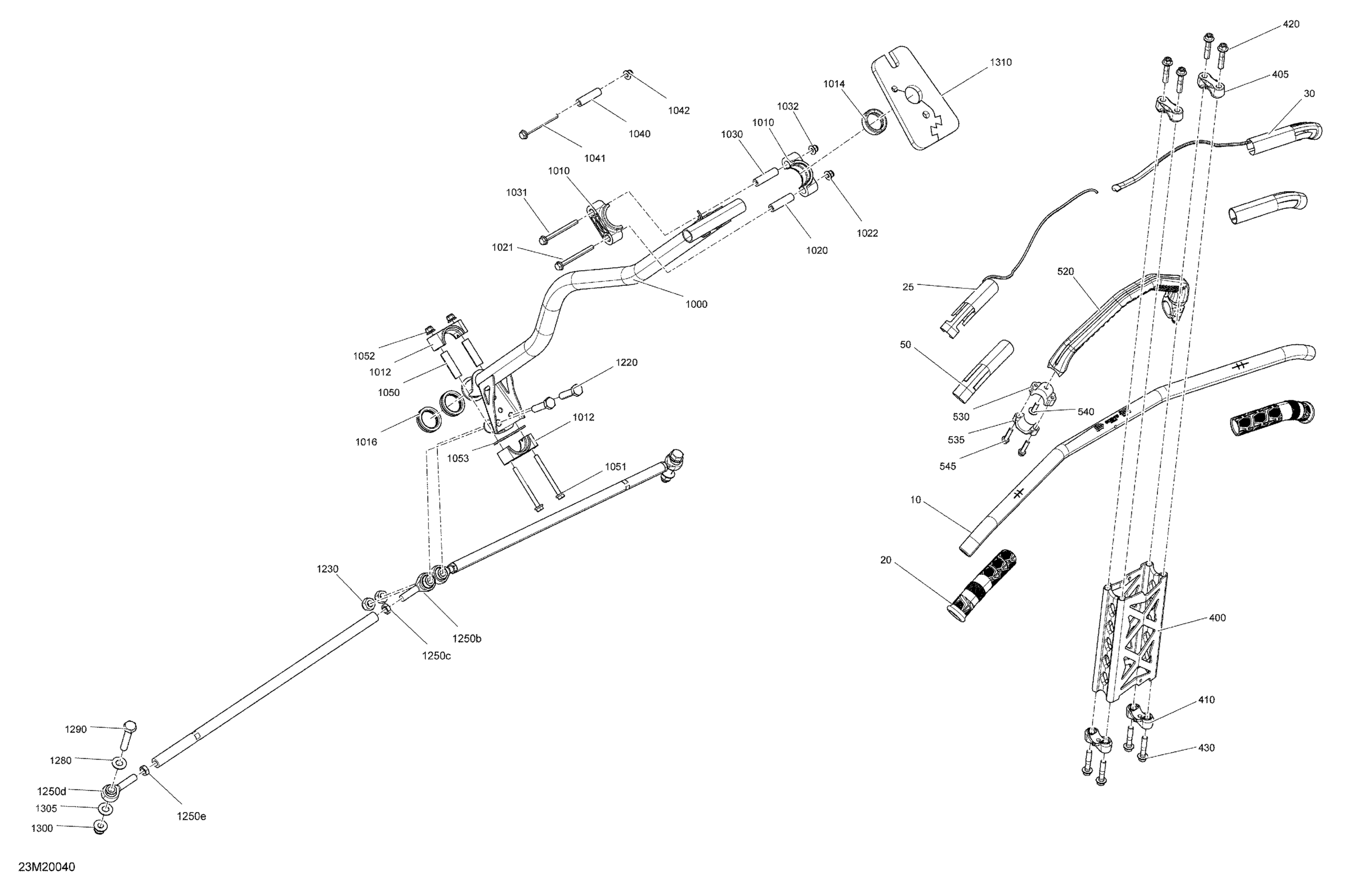
Steering - System
Ski-Doo TUNDRA 550F - 2020 Steering - System Diagram
#
Description
Price
Steering - System
#
Edit ride
