- Partiron
- OEM Parts
- Ski-Doo
- 2019
- SKI-DOO - SKANDIC Series
- Skandic WT 550F, 2019
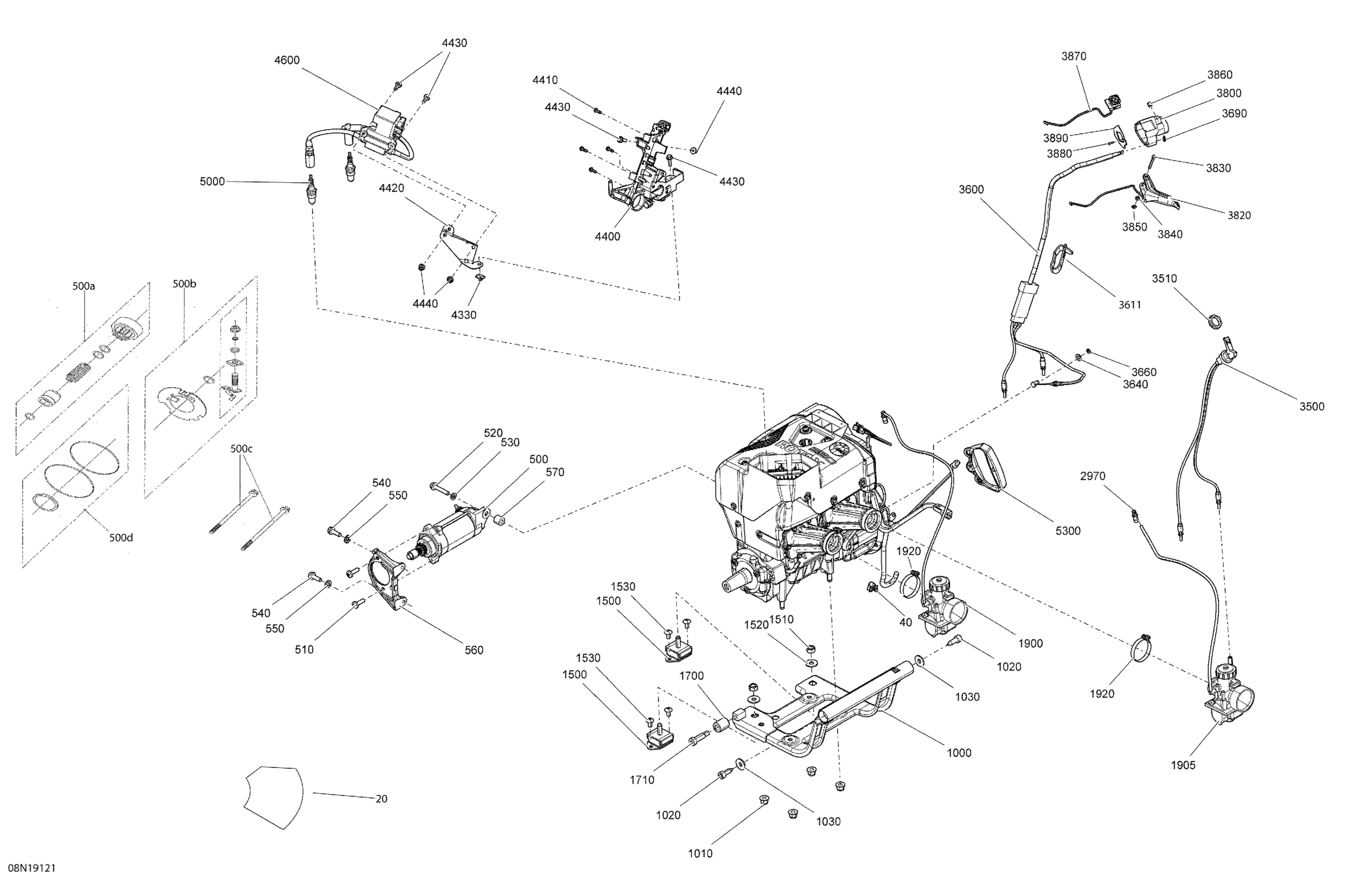
Engine - 550F
Ski-Doo Skandic WT 550F, 2019 Engine - 550F Diagram
#
Description
Price
20
Heat Shield
508000884
Unavailable
1900
Carburator 550F | Includes 1900 to 1900am
512061342
Unavailable
