- Partiron
- OEM Parts
- Can-Am
- Wheel Vehicles
- 2023
- RT Series
- RT - Hyper Silver, 2023
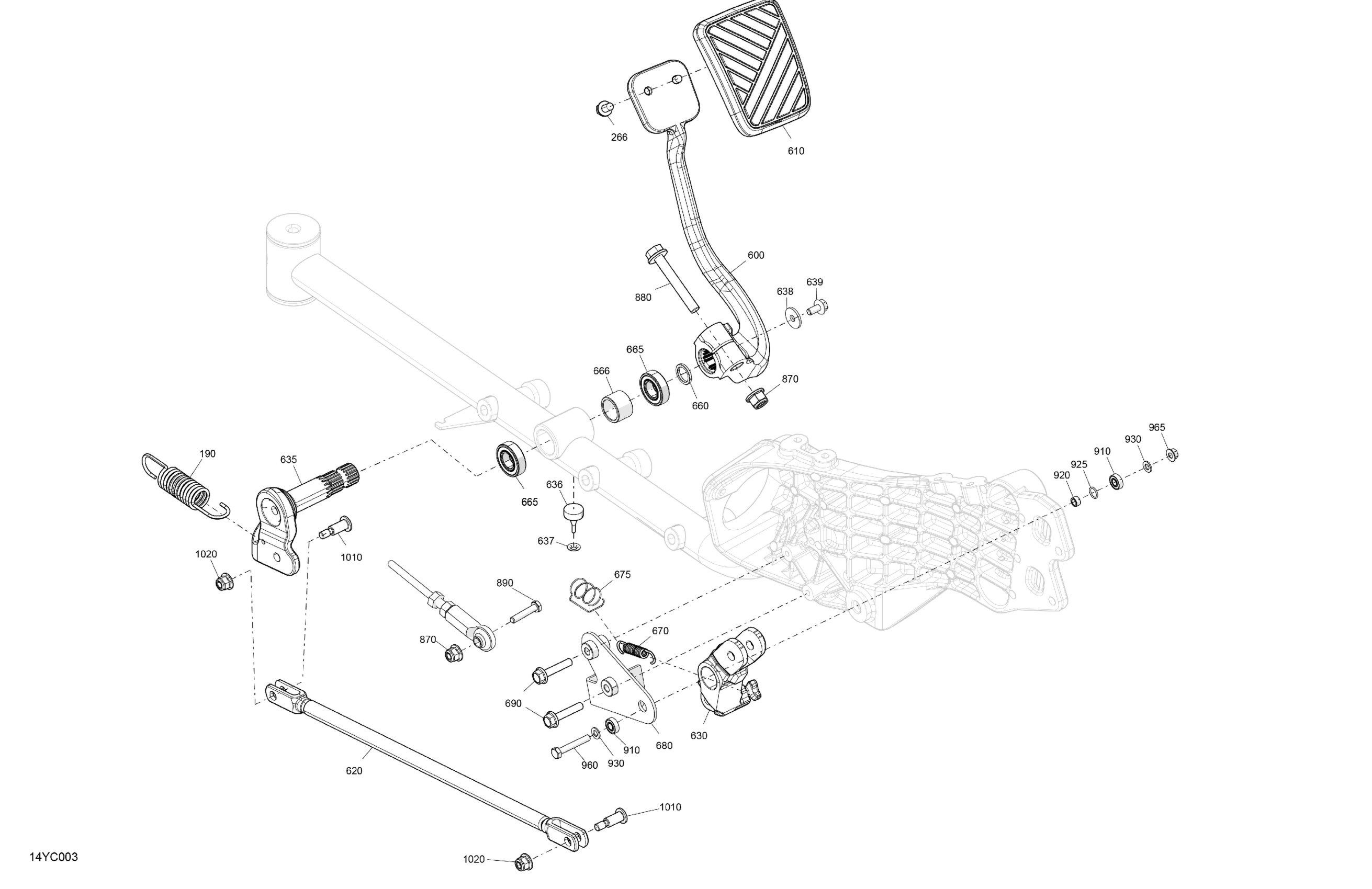
Mechanic - Brake Pedal
Can-Am RT - Hyper Silver, 2023 Mechanic - Brake Pedal Diagram
#
Description
Price
Mechanic - Brake Pedal
#
Edit ride
