- Partiron
- OEM Parts
- Can-Am
- ATV
- 2020
- ATV - T3 Series - Outlander 450-570 Series
- Outlander T 450 EFI - T Regulation, 2020
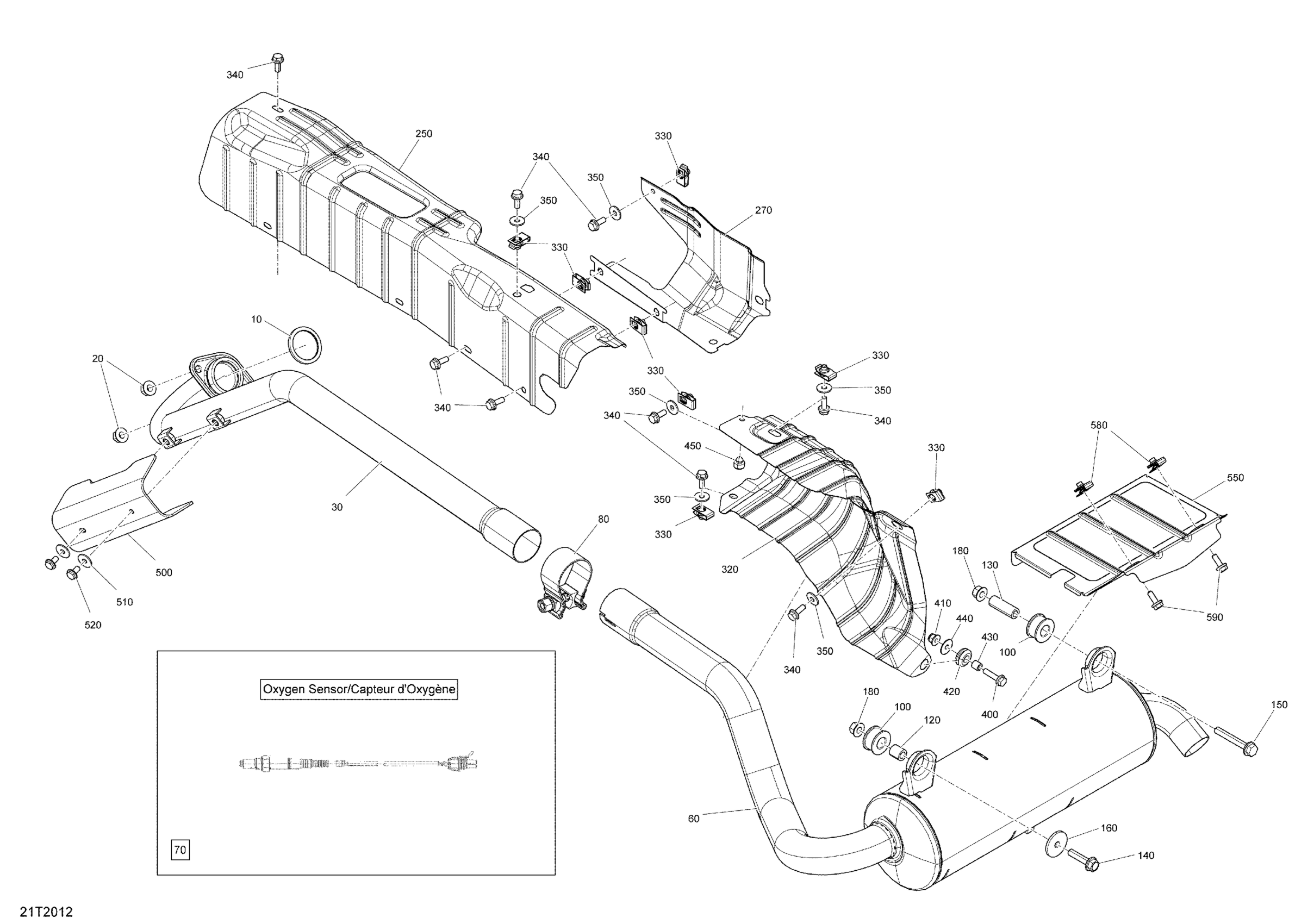
Exhaust
Can-Am Outlander T 450 EFI - T Regulation, 2020 Exhaust Diagram
#
Description
Price
Exhaust
#
Edit ride
