- Partiron
- OEM Parts
- Can-Am
- ATV
- 2021
- ATV - CE - Outlander Series
- Outlander 650 EFI - XU - CE, 2021
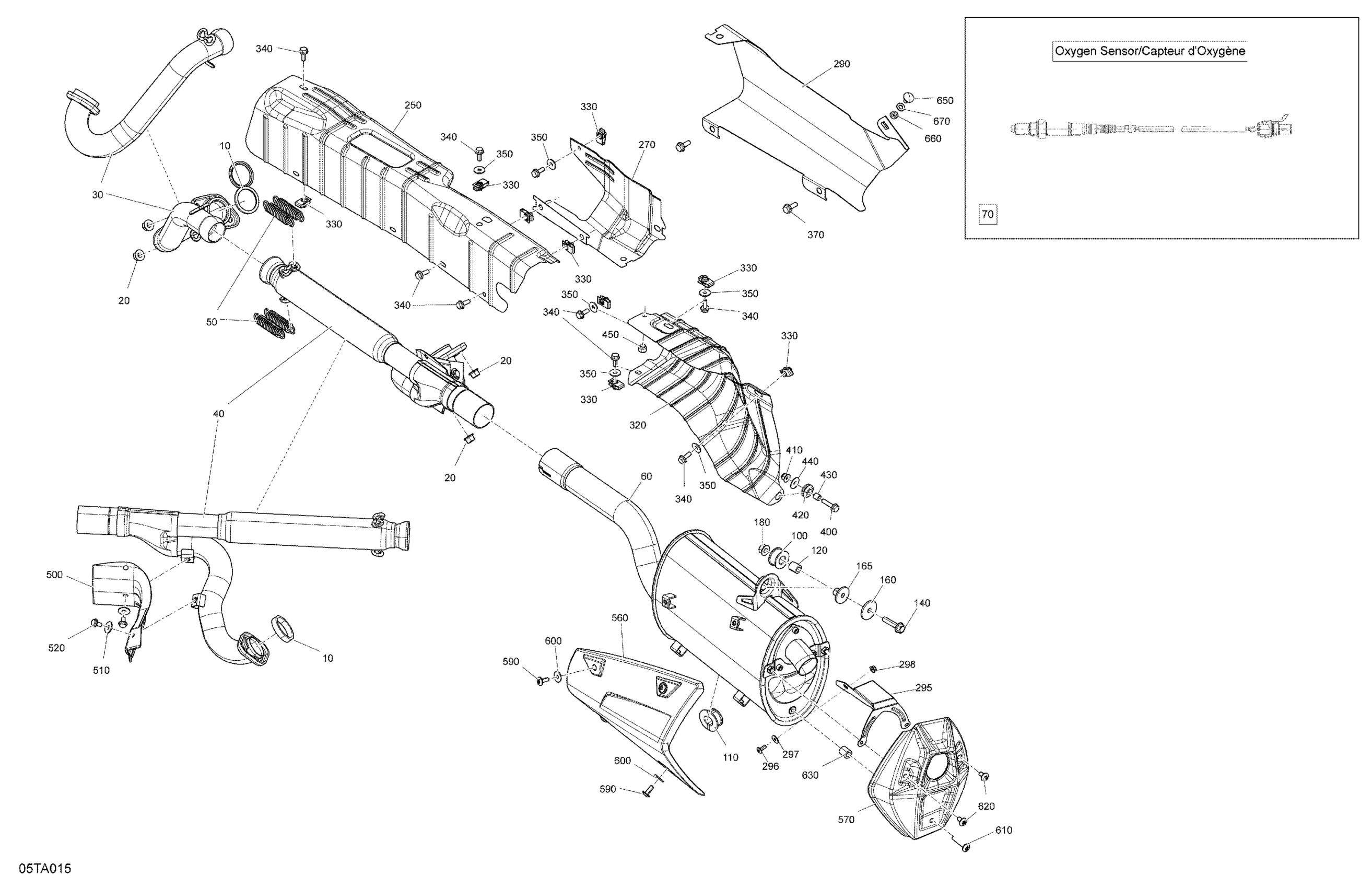
Engine - Exhaust
Can-Am Outlander 650 EFI - XU - CE, 2021 Engine - Exhaust Diagram
#
Description
Price
Engine - Exhaust
#
Edit ride
