- Partiron
- OEM Parts
- Can-Am
- ATV
- 2021
- ATV - Outlander 450/570 Series
- Outlander 450 EFI - STD_DPS_Mossy Oak Edition - 2021
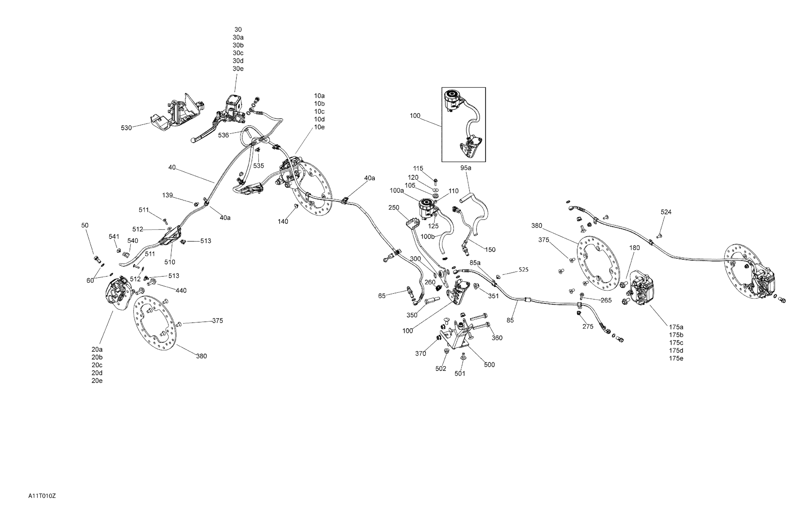
Mechanic - Brakes
Can-Am Outlander 450 EFI - STD_DPS_Mossy Oak Edition - 2021 Mechanic - Brakes Diagram
#
Description
Price
