- Partiron
- OEM Parts
- Sea-doo
- Watercraft
- 2020
- FISH PRO Series
- FISH PRO 170, 2020
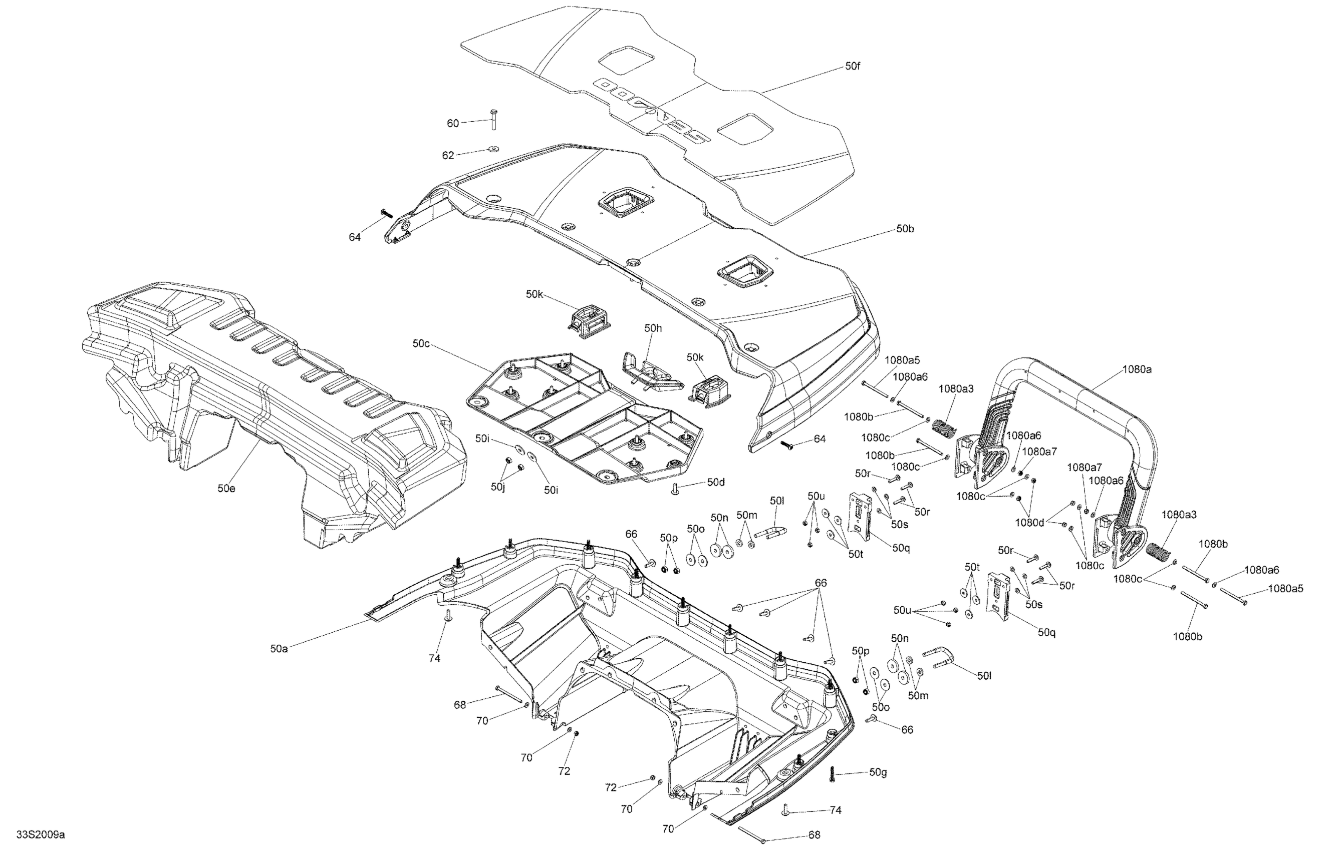
Hull Extension and Ladder
Sea-doo FISH PRO 170, 2020 Hull Extension and Ladder Diagram
#
Description
Price
Hull Extension and Ladder
#
Edit ride
