Kawasaki Voyager STARTER MOTOR/STARTER CLUTCH Diagram
#
Description
Price
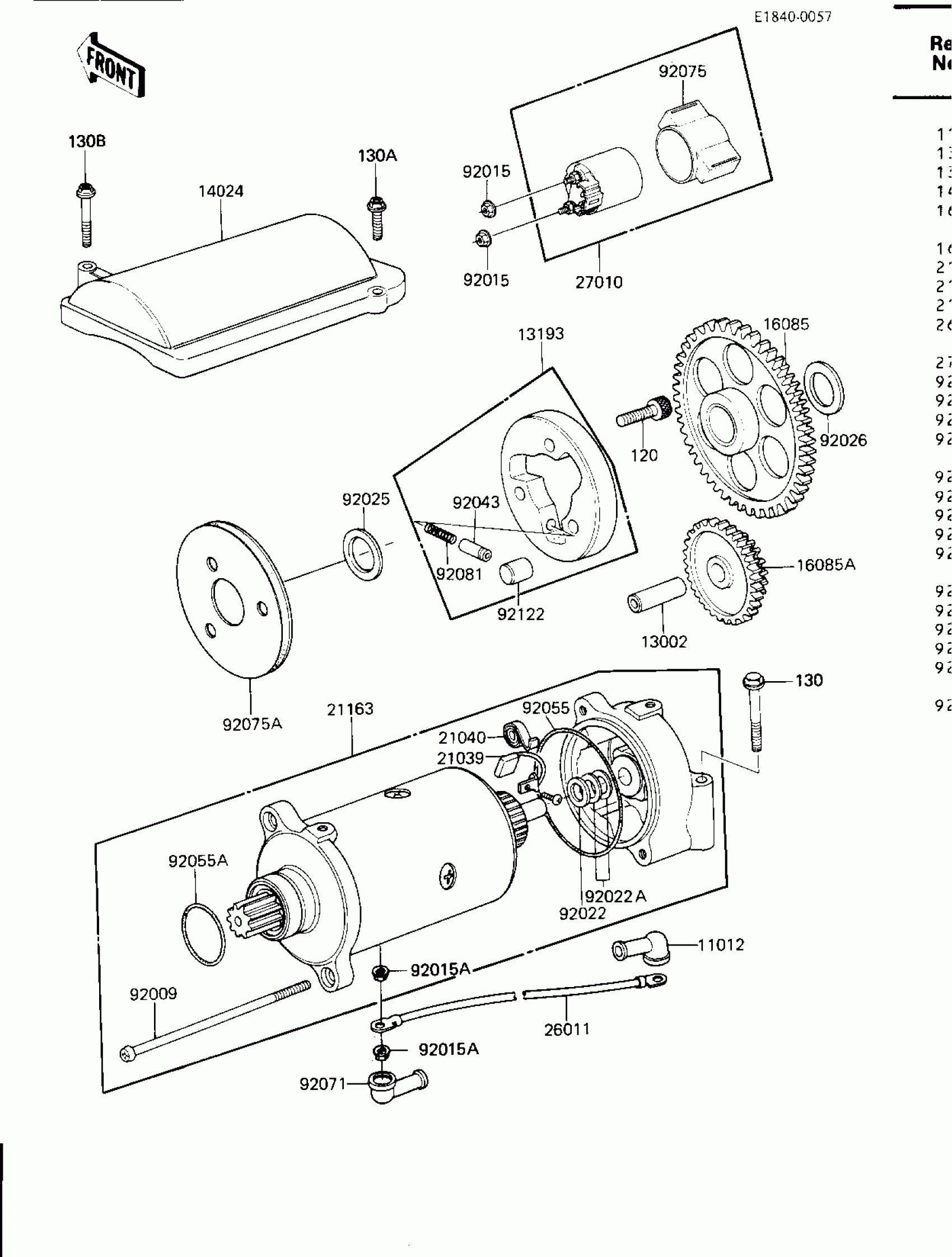
13002
PIN-PISTON
13002-019
Unavailable
13193
CLUTCH-ASSY-ONEWAY
13193-1012
Unavailable
14024
COVER,STARTER MOTOR
14025-1752
Unavailable
21040
SPRING-BRUSH
21040-003
Unavailable
92015
NUT,FLANGED,6MM
92015-1078
Unavailable
92015A
NUT,FLANGED,6MM
92015-1078
Unavailable
92022
WASHER,THRUST,T=1.6
21025-010
Unavailable
92022A
WASHER,9.1X18X0.2
21025-011
Unavailable
92025
SHIM,25.3X36X0.30
92025-1019
Unavailable
92026
SPACER,25.0X34X2.3
92026-1059
Unavailable
92055
RING-O,STARTER MOTOR
21027-003
Unavailable
92075
DAMPER,MAGNETIC SWITCH
21064-002
Unavailable
