- Partiron
- OEM Parts
- Kawasaki
- motorcycle
- 1978
- Police 1000
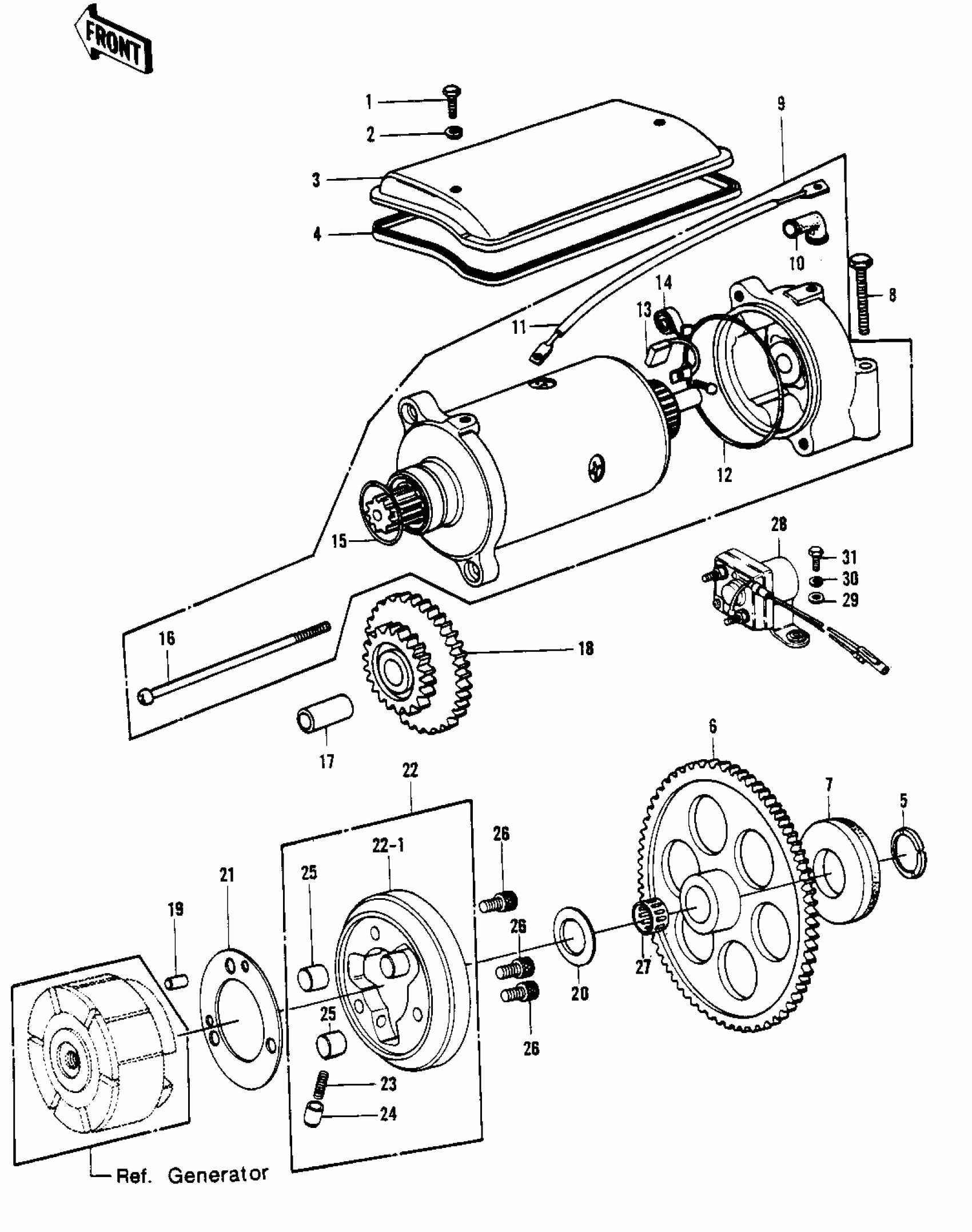
STARTER MOTOR/STARTER CLUTCH ('78 C1/C1A
Kawasaki Police 1000 STARTER MOTOR/STARTER CLUTCH ('78 C1/C1A Diagram
#
Description
Price
3
COVER,STARTING MOTOR
21165-001
Unavailable
5
WASHER 22.1X30.7X2.0
92026-091
Unavailable
6
GEAR,STARTING CLUTCH
21167-003
Unavailable
7
DAMPER RUBBER 6.3T
92075-192
Unavailable
7
DAMPER RUBBER 7.3T
92075-193
Unavailable
7
DAMPER RUBBER 8.3T
92075-194
Unavailable
12
RING-O,STARTER MOTOR
21027-003
Unavailable
14
SPRING-BRUSH
21040-003
Unavailable
18
GEAR-SPUR,STARTER MOTOR
21167-002
Unavailable
21
PLATE,CLUTCH STARTER
92026-112
Unavailable
27
NEEDLE BEARING, K222620
92046-033
Unavailable
28
SWITCH ASSY,MAGNETIC
27010-1023
Unavailable
28
SWITCH ASSY,MAGNETIC
27010-1023
Unavailable
