- Partiron
- OEM Parts
- Kawasaki
- motorcycle
- 1978
- Police 1000
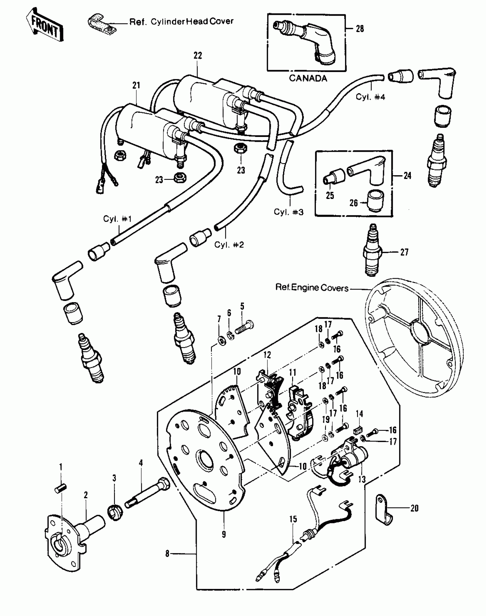
IGNITION ('78 C1/C1A)
Kawasaki Police 1000 IGNITION ('78 C1/C1A) Diagram
#
Description
Price
4
BOLT,SPARK ADVANCER
92001-113
Unavailable
10
PLATE,CONTACT BREAKE
21156-010
Unavailable
13
CONDENSER
21013-035
Unavailable
15
WIRING HARNESS,BRAKE
21029-037
Unavailable
17
WASHER SPRING 4MM
461F0400
Unavailable
21
IGNITION COIL
21121-1003
Unavailable
22
COIL,IGNITION,#2&3
21121-1004
Unavailable
24
UNAVAILABLE IN PRICE BOOK
21160-1010
Unavailable
27
SPARK PLUG B8ES
B8ES
Unavailable
27
SPARK PLUG W24ES-U
W24ESU
Unavailable
