- Partiron
- OEM Parts
- Kawasaki
- motorcycle
- 1978
- Police 1000
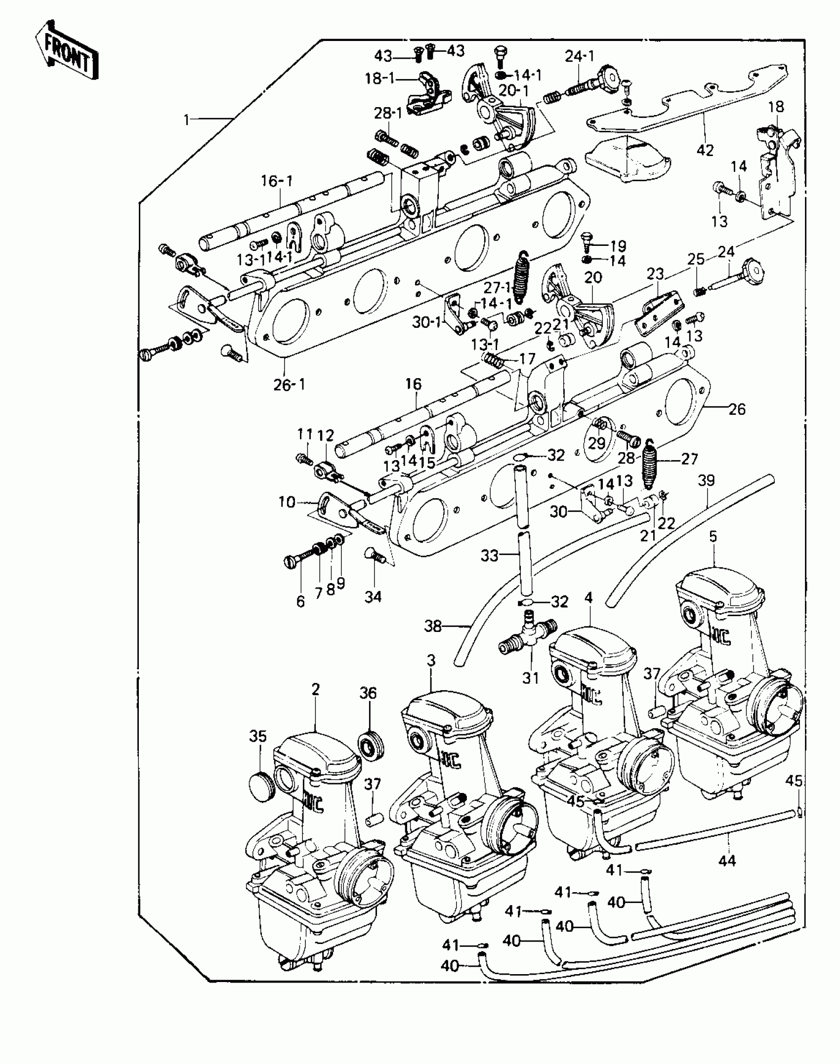
CARBURETOR ASSY ('78 C1/C1A)
Kawasaki Police 1000 CARBURETOR ASSY ('78 C1/C1A) Diagram
#
Description
Price
1
CARBURETOR ASSY
16001-1025
Unavailable
6
SCREW
16046-005
Unavailable
7
SPRING,F
16040-009
Unavailable
9
WASHER,PLAIN,NYLON
16039-019
Unavailable
11
SCREW,PAN HEAD,5X7
16046-007
Unavailable
12
LEVER,STARTER PLUNGE
13168-1026
Unavailable
15
PLATE,SHAFT STOPPER
16055-012
Unavailable
16-1
SHAFT,CARB CONNECTIO
16041-017
Unavailable
17
SPRING,CABLE PULLY
16040-022
Unavailable
19
BOLT,HEX HEAD,5X14
16067-006
Unavailable
21
RING
16073-016
Unavailable
25
SPRING,THROTTLE STOP
16022-017
Unavailable
27
SPRING,CABLE PULLY
16040-020
Unavailable
27-1
SPRING,THROTTLE PULL
92081-1028
Unavailable
28
ADJUSTER,THROTTLE LEV
16021-020
Unavailable
29
SPRING,THROTTLE ADJST
16022-010
Unavailable
34
SCREW,6X14
16033-029
Unavailable
35
CAP,RUBBER
16039-042
Unavailable
36
GROMMET,CARBURETOR
92071-104
Unavailable
38
HOSE,AIR VENT,5X8X55
92059-1028
Unavailable
39
HOSE,AIR VENT,5X8X55
92059-1028
Unavailable
40
HOSE,FUEL OVERFLOW
92059-147
Unavailable
41
CLAMP,OVERFLOW HOSE
92037-173
Unavailable
42
PLATE,CARB CONNECTIO
16065-040
Unavailable
